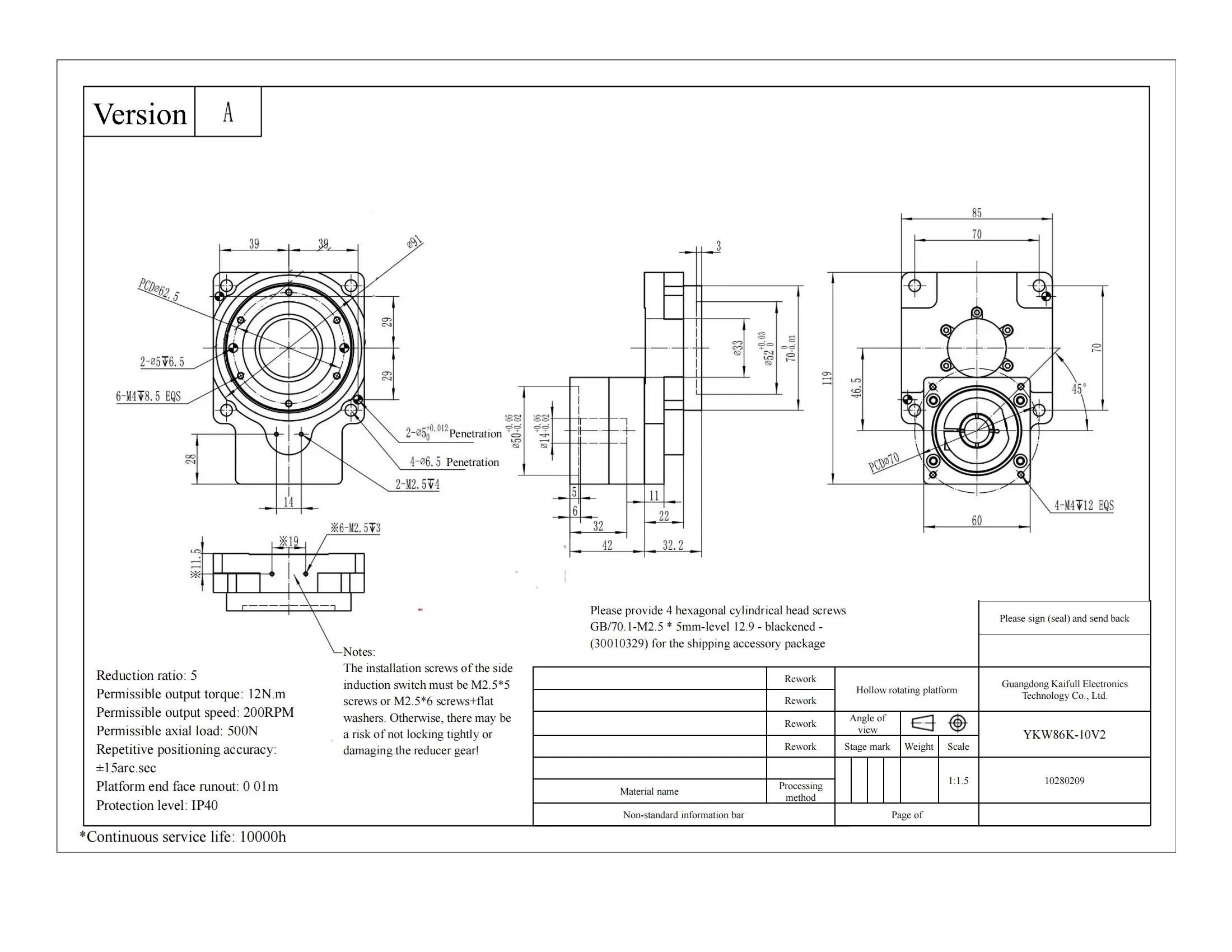
High Torque Hollow Rotary Platform YKW85K-10V2 – 85mm, 10:1 Reduction Ratio
The YKW85K-10V2 Hollow Rotary Platform is a high-performance solution designed for demanding applications requiring high torque, high load capacity, and precise rotational movements. Featuring an 85mm size and a 10:1 reduction ratio, this platform delivers exceptional torque output and fine positional accuracy. With a 33mm hollow shaft, it allows for convenient cable routing or integration with other components.
The platform is equipped with a 20N·m output torque capacity, 30N axial load tolerance, and 20N·m radial force resistance, making it suitable for a wide range of industrial applications, including robotics, automation, and precision machinery. The K-Vertical reducer connection mode ensures reliable and stable torque transmission, while the 200 RPM maximum speed guarantees both precision and operational speed. With ≤3 arc-min positioning accuracy and ≤±15 arc-sec repeated positioning accuracy, this rotary platform meets the highest standards of precision required in automation systems.
Key Features:
- High Torque Performance: With a 20N·m output torque, the platform can handle demanding applications requiring significant torque.
- Large Hollow Shaft: The 33mm hollow shaft allows for flexible cable routing and integration into systems with other components.
- High Load Capacity: Capable of handling 30N axial load and 20N·m radial force, this platform is ideal for heavy-duty applications.
- Precise Rotation: Offers ≤3 arc-min positioning accuracy and ≤±15 arc-sec repeated positioning accuracy, making it perfect for precision-driven industries.
- Compact and Efficient: The 85mm size combined with a 10:1 reduction ratio provides both high torque and efficient space utilization.
- Motor Compatibility: Designed for motors with a 14mm shaft diameter, 70mm PCD, and M5 motor mounting, making it easily integrable with standard motors.
- Maximum Speed: The platform can operate at speeds of up to 200 RPM, ensuring a good balance between performance and speed.
The YKW85K-10V2 rotary platform is ideal for high-precision tasks in robotics, automation, and industrial machinery, offering reliable torque, large load capacity, and exact rotational movements.











| ●Motor configuration and performance parameters | |||||||||||||||||||||||||
|
|||||||||||||||||||||||||








Daniel.Ding
Ding

