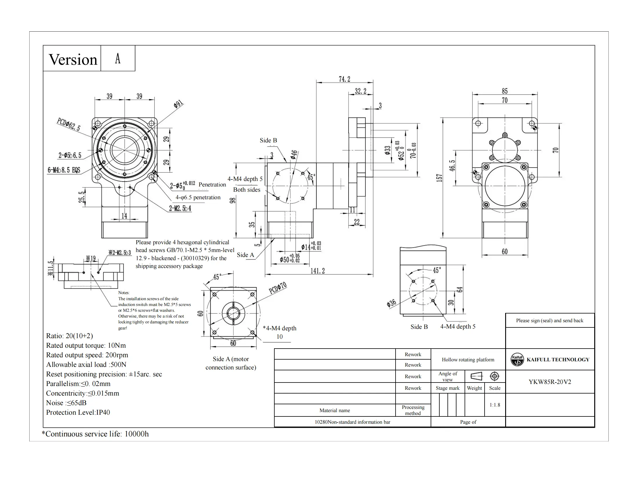
High Precision Hollow Rotary Platform YKW85R-20V2 – 85mm, 20:1 Reduction Ratio
The YKW85R-20V2 Hollow Rotary Platform is engineered for precision and reliability in demanding applications, featuring an 85mm size and 20:1 reduction ratio. This robust platform is capable of handling 10N·m output torque, 30N axial load, and 20N·m radial force, ensuring consistent performance even under high stress.
Equipped with a 33mm hollow shaft, this platform facilitates efficient integration and cable management for complex systems, offering smooth, precise rotation. The maximum output speed of 200 RPM combined with ≤8 arc-min positioning accuracy and ≤±30 arc-sec repeated positioning accuracy ensures excellent performance for high-precision motion control tasks.
The platform is compatible with motors that have a 14mm shaft diameter, 70mm PCD, and M5 motor mounting, making it a flexible choice for various robotics, CNC, and automation systems.
Key Features:
- High Output Torque: Supports 10N·m output torque and 30N axial load, providing stable performance in heavy-duty applications.
- Efficient Hollow Shaft: 33mm hollow shaft simplifies cable routing and system integration.
- Precision Performance: ≤8 arc-min positioning accuracy and ≤±30 arc-sec repeated positioning accuracy for exact rotational movement.
- Superior Speed and Motion: 20:1 reduction ratio and 200 RPM maximum output speed for smooth motion control.
- Motor Compatibility: Works with motors having 14mm shaft diameter, 70mm PCD, and M5 motor mounting for versatile application.
- Durable Construction: Handles 20N·m radial force, ensuring reliable operation in challenging environments.
The YKW85R-20V2 rotary platform is perfect for high-precision applications in robotics, CNC machines, and automated systems that demand exceptional rotational accuracy and reliability.











| ●Motor configuration and performance parameters | |||||||||||||||||||||||||
|
|||||||||||||||||||||||||








Daniel.Ding
Ding

