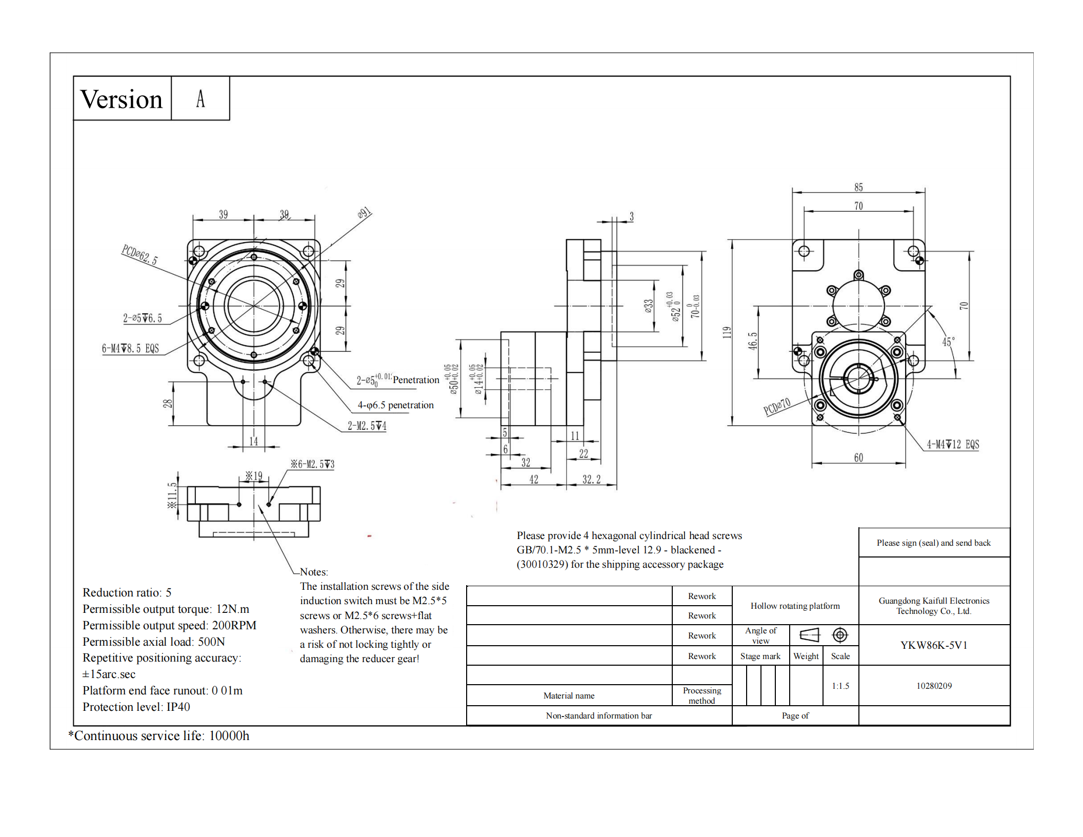
YKW85K-5V1 Rotary Platform with 20 N·m Torque
The YKW85K-5V1 hollow rotary platform is a robust and high-precision solution for industrial automation, featuring an allowable torque of 20 N·m and a reduction ratio of 5. With a positioning accuracy of 3 arc-min and a repetitive positioning accuracy of ≤±15 arc-sec, it ensures precise motion control for demanding tasks. Supporting an axial load of 30 kg and a radial force of 20 N·m, it operates smoothly at disk rotation speeds of up to 720°/sec. Built for long-term reliability, it offers an accuracy life exceeding 15,000 cycles under intermittent operation. The V1 specification includes a ф14 interface, a PCD of ф70, and M4 mounting holes, making it adaptable for various mechanical setups.











| ●Motor configuration and performance parameters | |||||||||||||||||||||||||
|
|||||||||||||||||||||||||








Daniel.Ding
Ding

