01
YKW85K-5T2 model motorized rotary stage
The YKW85K-5T2 is a high-performance mechanical component designed for applications requiring significant torque and precise control. Below is a comprehensive overview of its features and specifications:
Key Features:
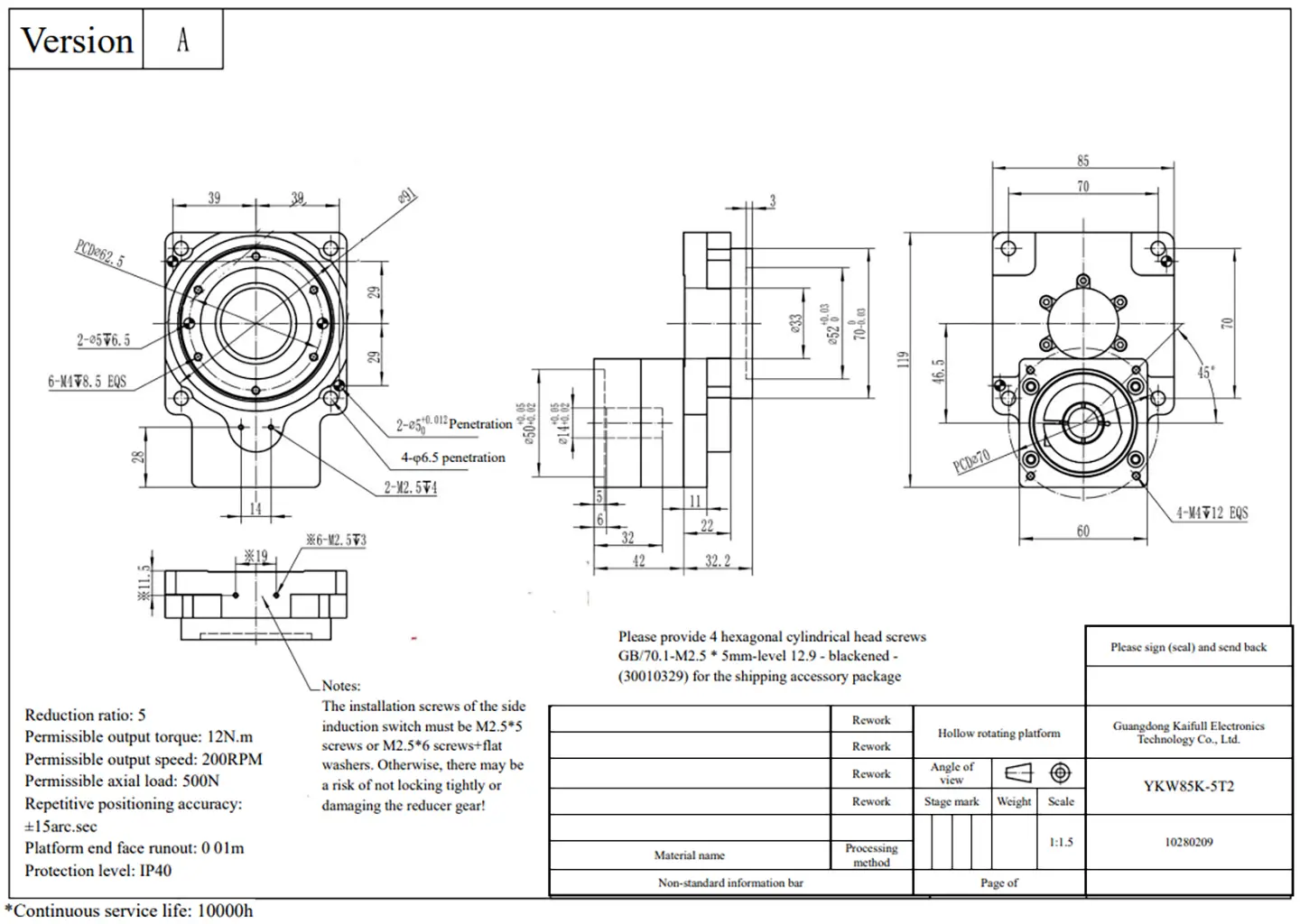
1. Reduction Ratio: ** The YKW85K-5T2 features a reduction ratio of 5:1. This ratio means the output speed is reduced to one-fifth of the input speed, providing increased torque at lower speeds. This is advantageous for applications where high torque is needed without sacrificing speed control.
2. Permissible Output Torque:** With a maximum permissible output torque of 12 N·m (Newton-meters), the YKW85K-5T2 can handle substantial rotational forces. This high torque capacity makes it suitable for heavy-duty applications where significant power is required.
3. Permissible Output Speed: The unit supports a permissible output speed of up to 200 RPM (Revolutions Per Minute). This speed capability allows for smooth and controlled motion, ideal for precision tasks and applications requiring steady operational speeds.
4. Permissible Axial Load:** The YKW85K-5T2 can support a permissible axial load of 500 N (Newton). This high load capacity indicates the unit's robustness and ability to withstand significant axial forces, making it suitable for applications with substantial thrust requirements.
5. Repetitive Positioning Accuracy:** It offers a repetitive positioning accuracy of ±15 arc seconds. This level of accuracy ensures precise and consistent positioning, which is crucial for tasks requiring exact alignment and minimal deviation.
6. Platform End Face Runout: The platform end face runout is 0.01 mm, indicating very low deviation from the desired position. This minimal runout contributes to the unit’s precision and reliability, reducing errors in positioning and improving overall performance.
7. Protection Level: The YKW85K-5T2 has an IP40 protection rating. This level of protection ensures that the unit is safeguarded against solid objects greater than 1 mm and provides basic protection against dust. However, it is not protected against water ingress.
Application and Use:
The YKW85K-5T2 is designed for high-torque and precision-demanding applications. Its robust torque handling, high axial load capacity, and precise positioning accuracy make it ideal for use in industrial automation, robotics, CNC machinery, and other high-precision systems. The reduction ratio allows for effective torque management, while the output speed and axial load capacity support heavy-duty operations.
In summary, the YKW85K-5T2 is a versatile and reliable component that combines high torque, precise positioning, and substantial load capacity. Its features ensure effective performance in demanding applications, contributing to the efficiency and accuracy of complex mechanical systems.
Key Features:
1. Reduction Ratio: ** The YKW85K-5T2 features a reduction ratio of 5:1. This ratio means the output speed is reduced to one-fifth of the input speed, providing increased torque at lower speeds. This is advantageous for applications where high torque is needed without sacrificing speed control.
2. Permissible Output Torque:** With a maximum permissible output torque of 12 N·m (Newton-meters), the YKW85K-5T2 can handle substantial rotational forces. This high torque capacity makes it suitable for heavy-duty applications where significant power is required.
3. Permissible Output Speed: The unit supports a permissible output speed of up to 200 RPM (Revolutions Per Minute). This speed capability allows for smooth and controlled motion, ideal for precision tasks and applications requiring steady operational speeds.
4. Permissible Axial Load:** The YKW85K-5T2 can support a permissible axial load of 500 N (Newton). This high load capacity indicates the unit's robustness and ability to withstand significant axial forces, making it suitable for applications with substantial thrust requirements.
5. Repetitive Positioning Accuracy:** It offers a repetitive positioning accuracy of ±15 arc seconds. This level of accuracy ensures precise and consistent positioning, which is crucial for tasks requiring exact alignment and minimal deviation.
6. Platform End Face Runout: The platform end face runout is 0.01 mm, indicating very low deviation from the desired position. This minimal runout contributes to the unit’s precision and reliability, reducing errors in positioning and improving overall performance.
7. Protection Level: The YKW85K-5T2 has an IP40 protection rating. This level of protection ensures that the unit is safeguarded against solid objects greater than 1 mm and provides basic protection against dust. However, it is not protected against water ingress.
Application and Use:
The YKW85K-5T2 is designed for high-torque and precision-demanding applications. Its robust torque handling, high axial load capacity, and precise positioning accuracy make it ideal for use in industrial automation, robotics, CNC machinery, and other high-precision systems. The reduction ratio allows for effective torque management, while the output speed and axial load capacity support heavy-duty operations.
In summary, the YKW85K-5T2 is a versatile and reliable component that combines high torque, precise positioning, and substantial load capacity. Its features ensure effective performance in demanding applications, contributing to the efficiency and accuracy of complex mechanical systems.











Model/Specification
YKW85K-5T2
Allowable torque N•m
20
Allowable axial load (Ka)kg
30
Allowable radial force (Fr)N•m
20
Allowable disk Rotation speed
720°/sec
Reduction ratio i
5
Positioning accuracy
3arc-min
Repetitive positioning accuracy
≤±15arc-sec
Accuracy life(intermittent operation)
≥15000
IP(Ingress Protection)
IP40
Mass kg
1.2
Motor specification
T2:ф=ф8、PCD:=PCDф70、M=M4
Model/Specification |
YKW85K-5T2 |
Allowable torque N•m |
20 |
Allowable axial load (Ka)kg |
30 |
Allowable radial force (Fr)N•m |
20 |
Allowable disk Rotation speed |
720°/sec |
Reduction ratio i |
5 |
Positioning accuracy |
3arc-min |
Repetitive positioning accuracy |
≤±15arc-sec |
Accuracy life(intermittent operation) |
≥15000 |
IP(Ingress Protection) |
IP40 |
Mass kg |
1.2 |
Motor specification |
T2:ф=ф8、PCD:=PCDф70、M=M4 |








Daniel.Ding
Ding


