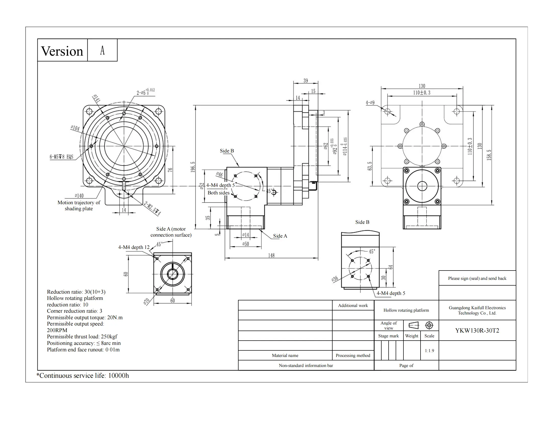
YKW130R-30T2 High-Torque Rotary Platform
The YKW130R-30T2 rotary platform is a robust and versatile solution designed to meet the demands of high-torque industrial applications. Featuring an impressive allowable torque of 45 N·m, it supports axial loads up to 100 kg and radial forces of 60 N·m, making it ideal for precision-driven tasks in automation and robotics. The platform operates at disk rotation speeds of up to 720°/sec and has a reduction ratio of 30, ensuring smooth and controlled motion.
This model offers excellent positioning accuracy, ranging from 8 arc-min to 5 arc-min depending on the application. The repetitive positioning accuracy is rated at ≤±30 arc-sec to ≤±20 arc-sec, delivering consistent precision across its lifespan of over 15,000 cycles under intermittent operation.
The T2 motor specification includes an 8mm shaft diameter, a PCD of ф70, and M4 mounting threads, ensuring seamless integration into various systems. Weighing 4.2 kg and protected with an IP40 rating, this rotary platform is built for performance in controlled industrial environments.
Whether used in robotics, assembly lines, or inspection systems, the YKW130R-30T2 is engineered to deliver reliable and efficient operation for a wide range of motion control applications.








| ●Motor configuration and performance parameters | |||||||||||||||||||||||||
|
|||||||||||||||||||||||||








Daniel.Ding
Ding

