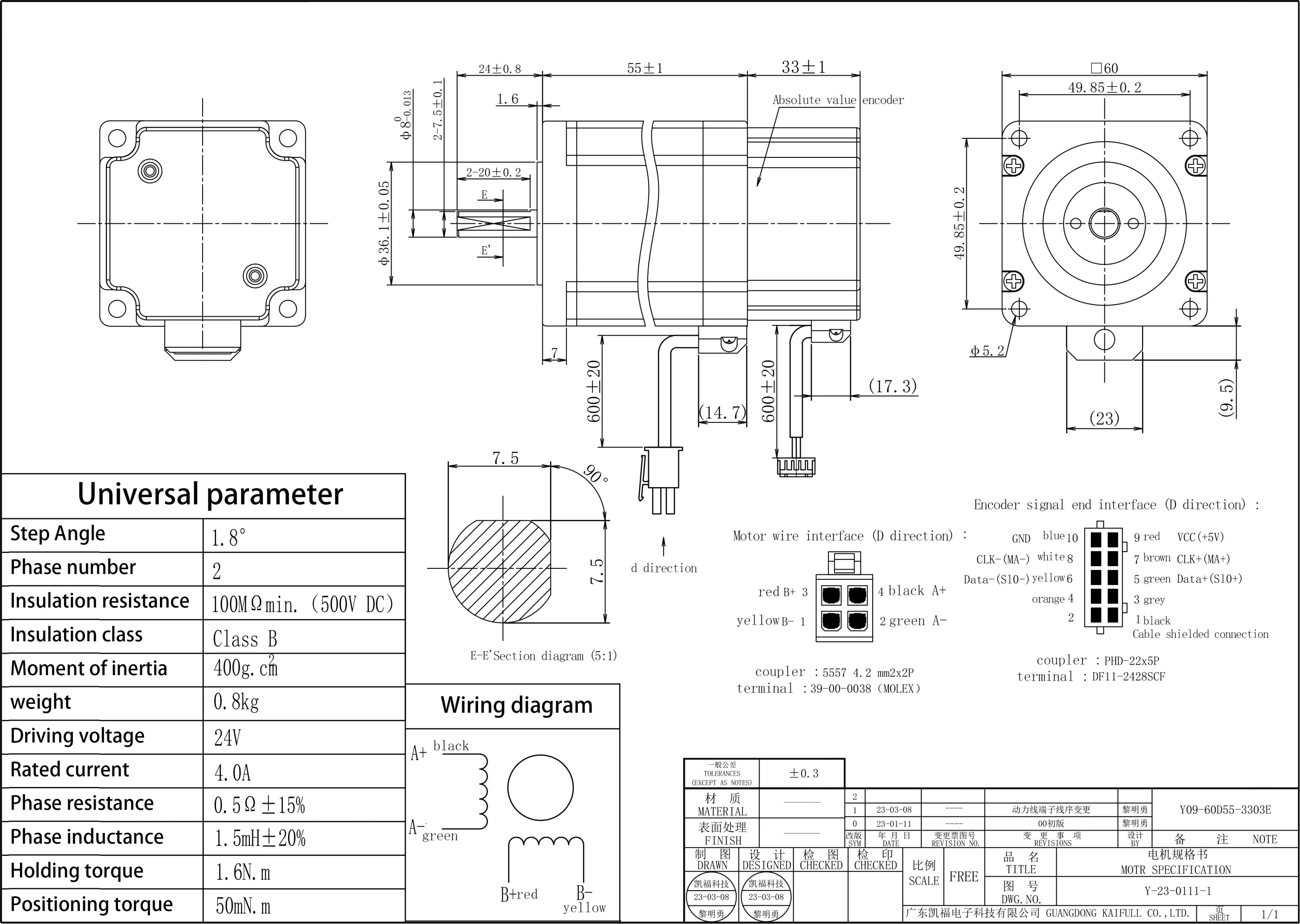
Y09-60D55-3303E Closed-loop Stepper Motor – 60mm Frame, 1.8° Step Angle
The Y09-60D55-3303E is a high-efficiency closed-loop stepper motor with a 60mm frame size and 1.8° step angle, designed for precise motion control in demanding applications. With a rated current of 4A, resistance of 0.5Ω, and inductance of 1.5mH, this motor provides excellent torque performance and efficiency. It delivers a minimum thrust of 1.6N and features a rotor inertia of 400g.cm², making it ideal for industrial automation, robotics, and CNC applications that require high reliability and fast response.
The motor has a 8mm shaft diameter and an overall length of 88mm, providing a compact and robust solution for various motion control systems.
| ●Motor configuration and performance parameters | |||||||||||||||||||||||||||
|
|||||||||||||||||||||||||||








Daniel.Ding
Ding


