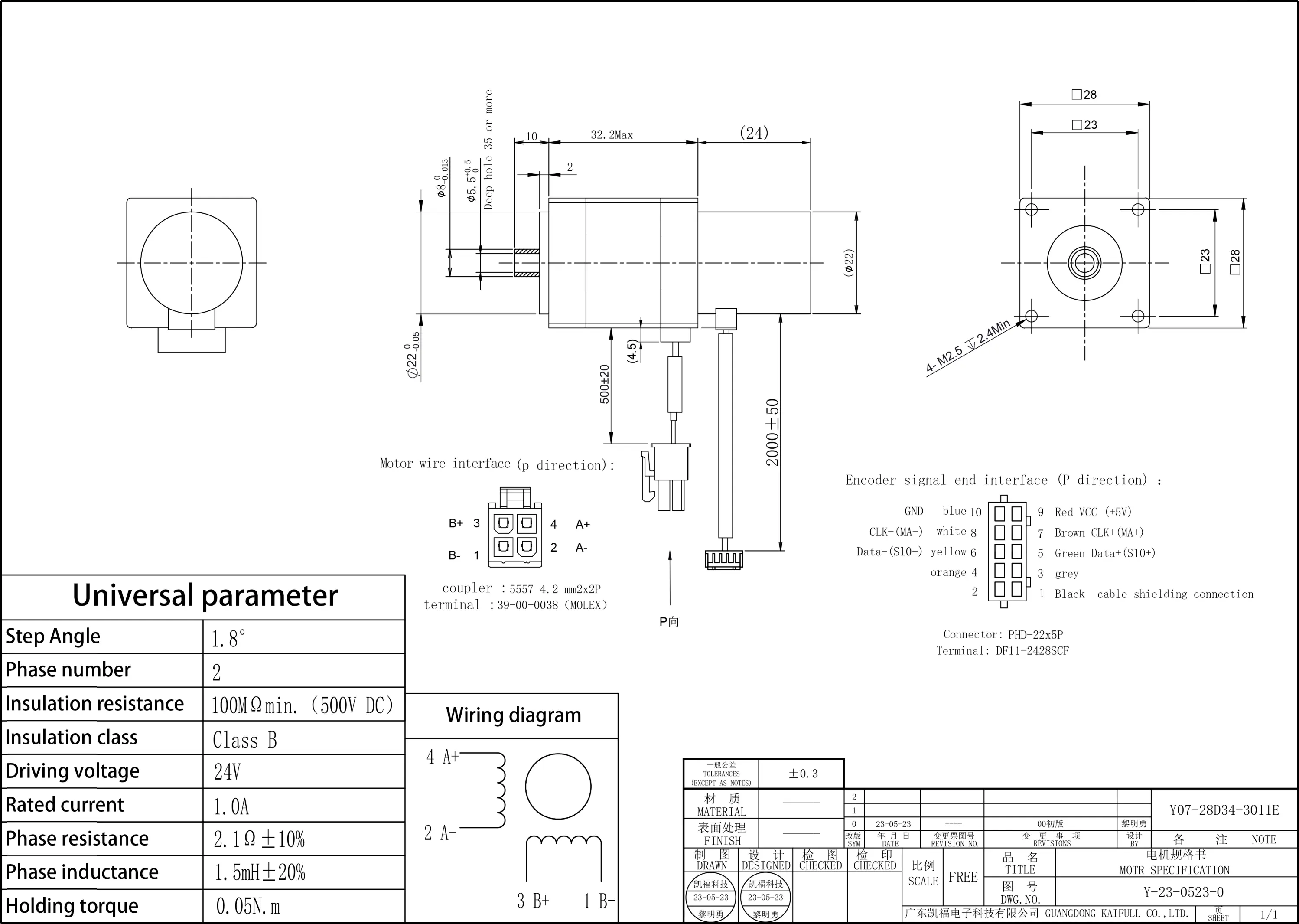
Y07-43D48-2405-E1000 Closed-loop Stepper Motor – 42mm Frame, 1.8° Step Angle
The Y07-43D48-2405-E1000 is a high-performance closed-loop stepper motor, designed with a 42mm frame size and 1.8° step angle for precise motion control in demanding applications. With a rated current of 2A, resistance of 1.5Ω, and inductance of 3.1mH, this motor provides excellent torque and efficiency. It delivers a minimum thrust of 0.6N and a rotor inertia of 72g.cm², making it ideal for systems that require fast response and high accuracy.
The motor features a 5mm shaft diameter and a length of 66.9mm, providing a compact and reliable solution for automation, robotics, and CNC applications.
| ●Motor configuration and performance parameters | |||||||||||||||||||||||||||
|
|||||||||||||||||||||||||||








Daniel.Ding
Ding


