Y07-35D1-4001 Stepper Motor: Precision Control for Efficient Motion
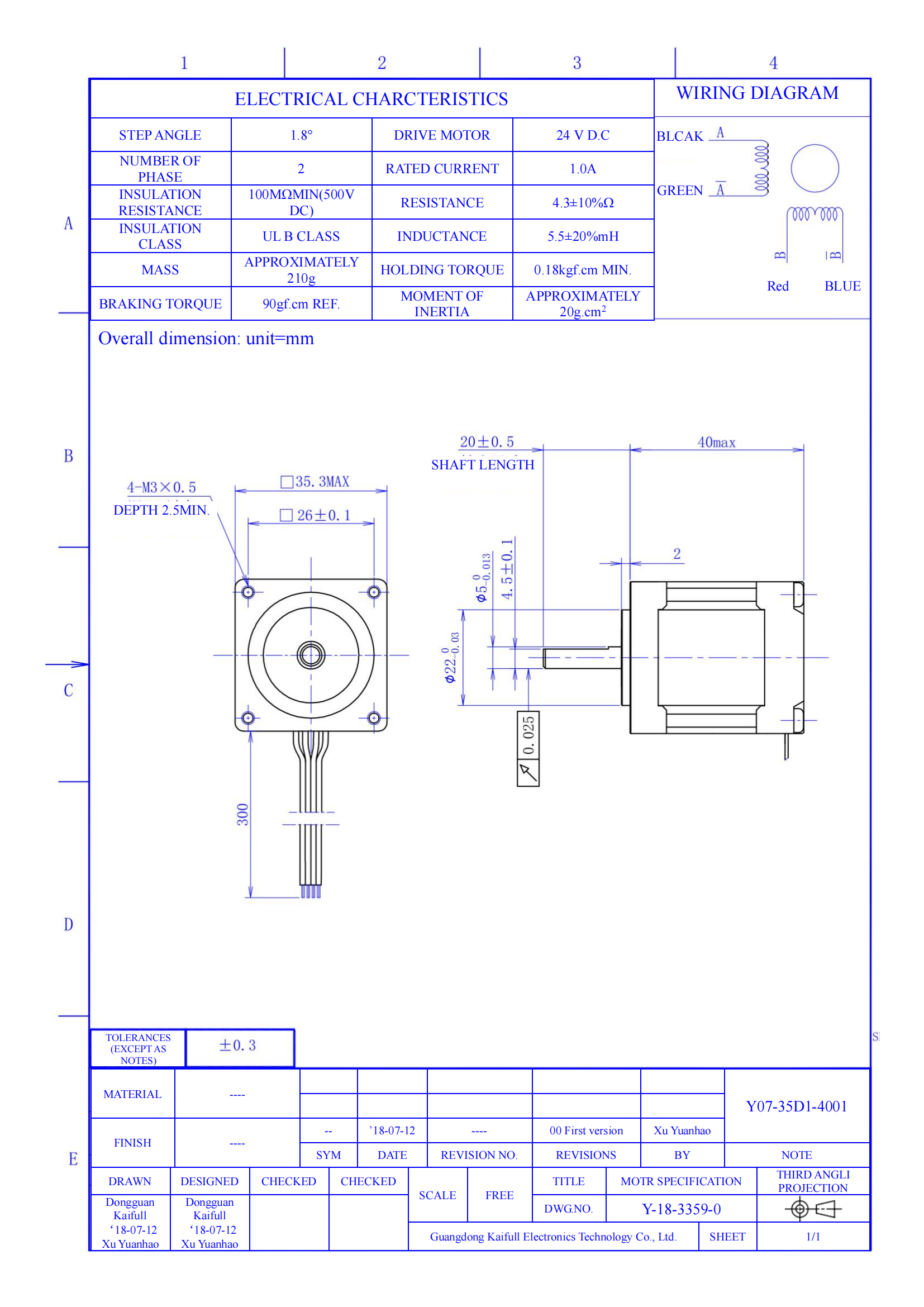
The Y07-35D1-4001 stepper motor is engineered for high precision and reliability, featuring a step angle of 1.8° and designed to operate on a 24V DC supply. With a two-phase configuration and a rated current of 1.0A, this motor ensures consistent performance in various applications. It boasts an insulation resistance of 100MΩ minimum (500V DC) and complies with UL Class B insulation standards, making it suitable for demanding environments. The motor has a resistance of 4.3±10Ω and an inductance of 5.5±20%mH, which contribute to its excellent torque characteristics. Weighing approximately 210g, the Y07-35D1-4001 provides a holding torque of 0.18kgf.cm minimum and a braking torque of 90gf.cm, with a moment of inertia around 20g.cm². This stepper motor is ideal for automation, robotics, and other applications requiring precise control and dependable operation.
| ●Motor configuration and performance parameters | |||||||||||||||||||||||||||||
|
|||||||||||||||||||||||||||||








Daniel.Ding
Ding



