Y07-20D1-4402-E2000 Compact Stepper Motor
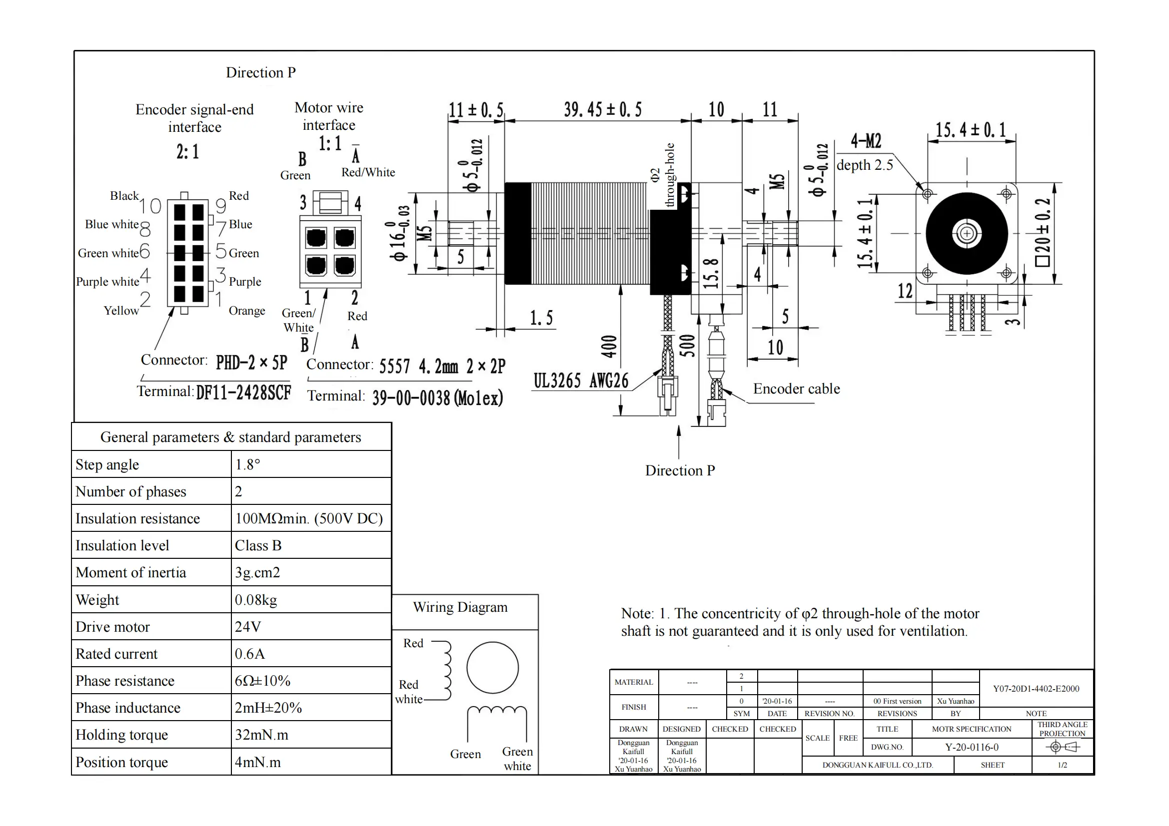
The Y07-20D1-4402-E2000 stepper motor is engineered for precision and efficiency, making it an ideal choice for applications that demand accurate control in a compact form factor. With a step angle of 1.8°, this motor allows for fine positional adjustments, ensuring reliable performance in tasks ranging from robotics to automation systems.
Designed to operate with a 24V drive voltage, the Y07-20D1-4402-E2000 boasts a rated current of 0.6A, making it energy-efficient while delivering robust power. The phase resistance is rated at 6Ω ±10%, and the phase inductance at 2mH ±20%, contributing to its effective performance and responsiveness in various control configurations.
One of the standout features of this motor is its high insulation resistance, with a minimum rating of 100MΩ at 500V DC. This ensures safety and reliability during operation, particularly in challenging environments. Additionally, the insulation level is classified as Class B, which permits operation at temperatures up to 130°C, enhancing the motor's durability over time.
With a moment of inertia of just 3g.cm², this motor can achieve rapid acceleration and deceleration, making it suitable for applications requiring quick positional changes. The holding torque of 32mN·m allows it to maintain position effectively, while the position torque of 4mN·m provides the necessary force for efficient operation under load.
Weighing only 0.08kg, the Y07-20D1-4402-E2000 is lightweight and easy to integrate into a variety of systems without adding unnecessary bulk. This makes it particularly useful in applications such as small CNC machines, 3D printers, and robotic arms, where space is at a premium.
In summary, the Y07-20D1-4402-E2000 stepper motor combines compact size with high performance, making it a versatile component for modern automation and control systems. Its impressive insulation resistance and lightweight design further enhance its suitability for a wide range of applications.
| ●Motor configuration and performance parameters | |||||||||||||||||||||||||
|
|||||||||||||||||||||||||








Daniel.Ding
Ding

