Y07-20D1-1402-E1000 High-Precision Stepper Motor
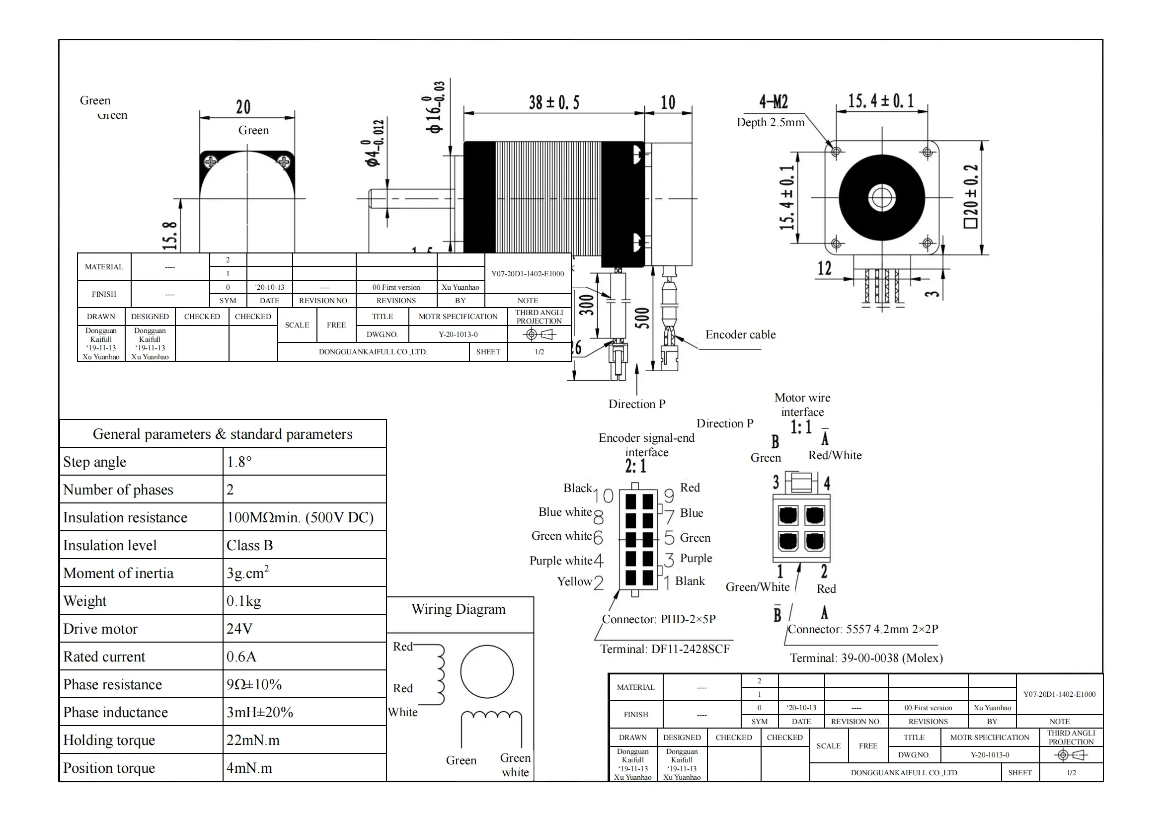
The Y07-20D1-1402-E1000 is a high-precision stepper motor engineered for demanding applications requiring accurate motion control. With a step angle of 1.8°, this motor provides exceptional positioning capabilities, making it ideal for use in automation, robotics, and CNC machinery.
Operating at a rated voltage of 24V DC, the motor is designed to deliver efficient performance with a rated current of 0.6A. Its phase resistance of 9Ω ±10% and phase inductance of 3mH ±20% contribute to smooth and reliable operation, ensuring responsiveness across various tasks.
Safety and durability are paramount in the Y07-20D1-1402-E1000’s design. With an insulation resistance of 100MΩ minimum at 500V DC, this motor offers enhanced protection against electrical failures. It is rated as Class B insulation, which allows it to operate effectively in temperatures up to 130°C, making it suitable for diverse environments.
The motor features a holding torque of 22mN·m, which is vital for maintaining position stability under load, while the braking torque of 4mN·m ensures quick and efficient stopping power. Its moment of inertia of approximately 3g·cm² allows for rapid acceleration and deceleration, providing high performance in dynamic applications.
Weighing in at just 0.1kg, the Y07-20D1-1402-E1000 is designed for compact applications where weight and space are crucial. Its lightweight construction facilitates easy integration into small machinery and devices, enhancing design flexibility.
In summary, the Y07-20D1-1402-E1000 stepper motor combines precision, efficiency, and compactness, making it an excellent choice for applications requiring reliable and accurate motion control.
| ●Motor configuration and performance parameters | |||||||||||||||||||||||||||
|
|||||||||||||||||||||||||||








Daniel.Ding
Ding


