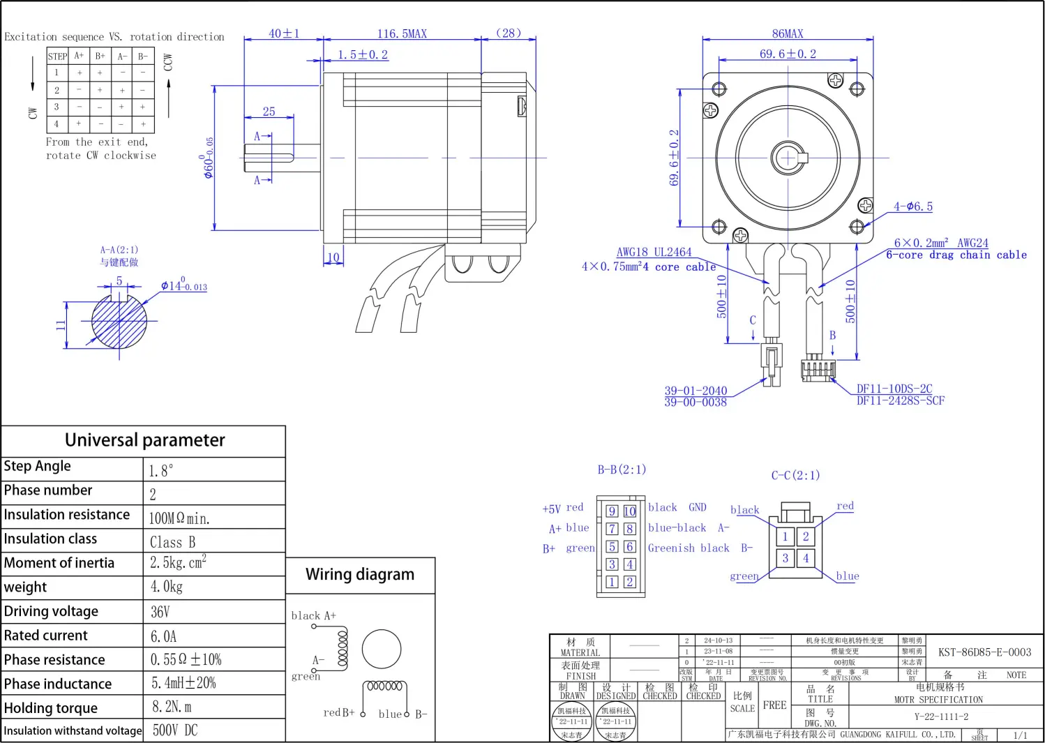
KST-86D85-E-0003 1.8° Stepper Motor, 6A Rated Current, 8.2N·m Holding Torque, 86mm Frame Size
The KST-86D85-E-0003 is a powerful 86mm frame size stepper motor designed to meet the demands of high-torque applications. With a 1.8° step angle and 6A rated current, this motor is perfect for precision motion control in robotics, automation systems, and heavy machinery. It delivers a robust holding torque of 8.2N·m, making it ideal for tasks that require reliable torque at various speeds.
Featuring a phase resistance of 0.55Ω and a phase inductance of 5.4mH, the motor is designed for optimal efficiency. Its moment of inertia of 2500g·cm² ensures smooth and controlled motion, even under heavy loads.
The shaft diameter is 14mm, and the motor length is 144.5mm, providing excellent torque output within a compact form factor. Weighing 4000g, this stepper motor is built to deliver high performance for demanding industrial applications while maintaining reliable and precise operation.
| ●Motor configuration and performance parameters | |||||||||||||||||||||||||||
|
|||||||||||||||||||||||||||








Daniel.Ding
Ding
