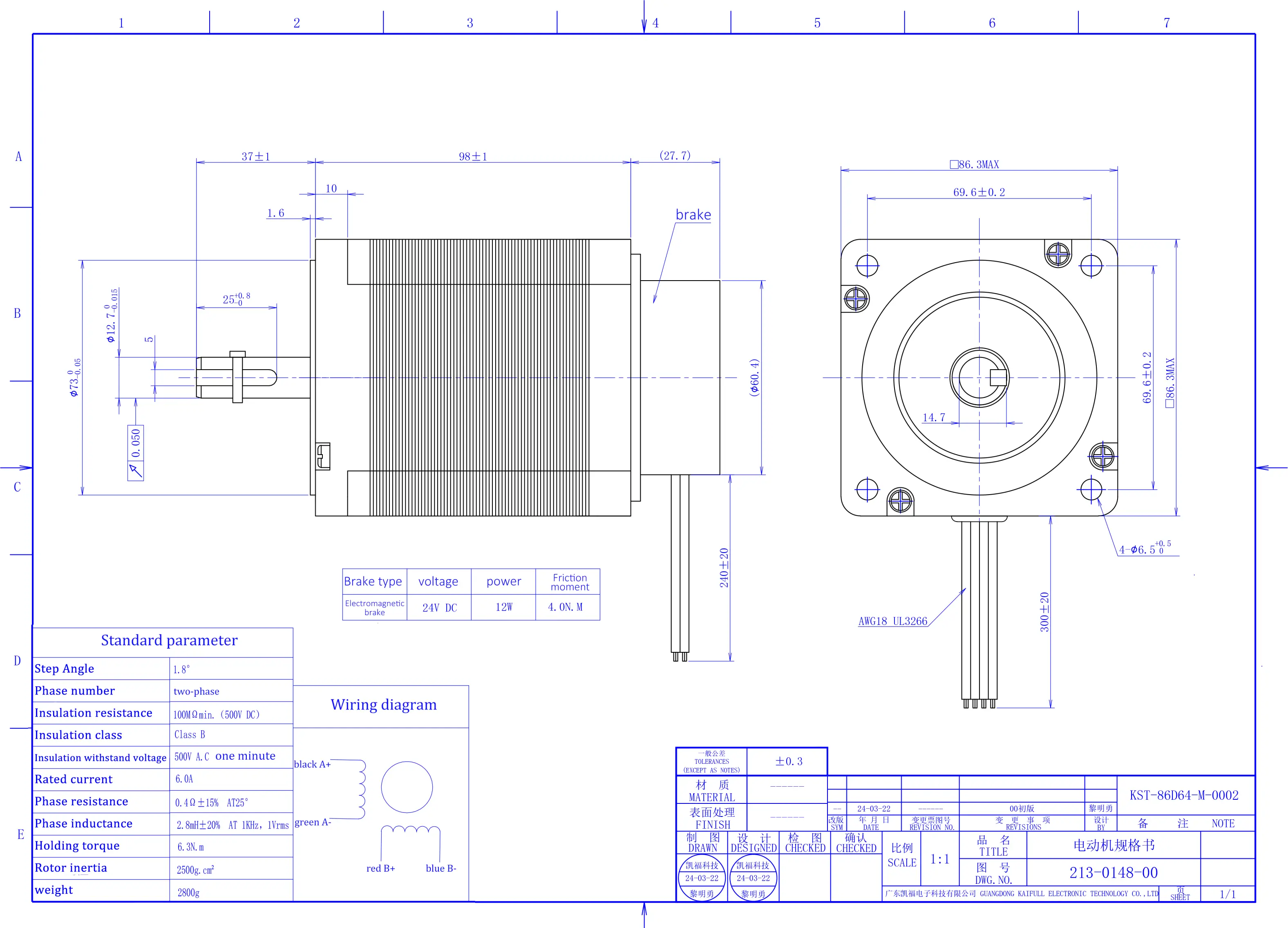
KST-86D64-M-0002 1.8° Stepper Motor, 6.0A Rated Current, 6.3N·m Holding Torque, 86mm Frame Size
The KST-86D64-M-0002 is an 86mm frame size stepper motor, offering exceptional 6.3N·m holding torque and a 6.0A rated current. Designed for precision control in demanding industrial applications, this 1.8° step angle motor provides smooth and reliable operation, making it ideal for use in CNC machines, robotics, and other motion control systems.
With two-phase excitation, the motor delivers stable performance and high torque at a variety of speeds. The phase resistance of 0.4Ω ± 15% at 25°C and phase inductance of 2.8mH ± 20% at 1KHz ensure efficient power consumption and minimal electrical losses, optimizing the motor's overall performance.
The insulation resistance of 100MΩ minimum at 500V DC and insulation withstand voltage of 500V A.C for 1 minute make it suitable for high-voltage environments, ensuring durability and safety. The motor operates with a Class B insulation rating, providing reliable protection at higher temperatures.
With a rotor inertia of 2500g·cm² and a total weight of 2800g, the KST-86D64-M-0002 is a robust and high-performance stepper motor that delivers excellent torque and stability in various motion control applications.
| ●Motor configuration and performance parameters | |||||||||||||||||||||||||
|
|||||||||||||||||||||||||








Daniel.Ding
Ding



