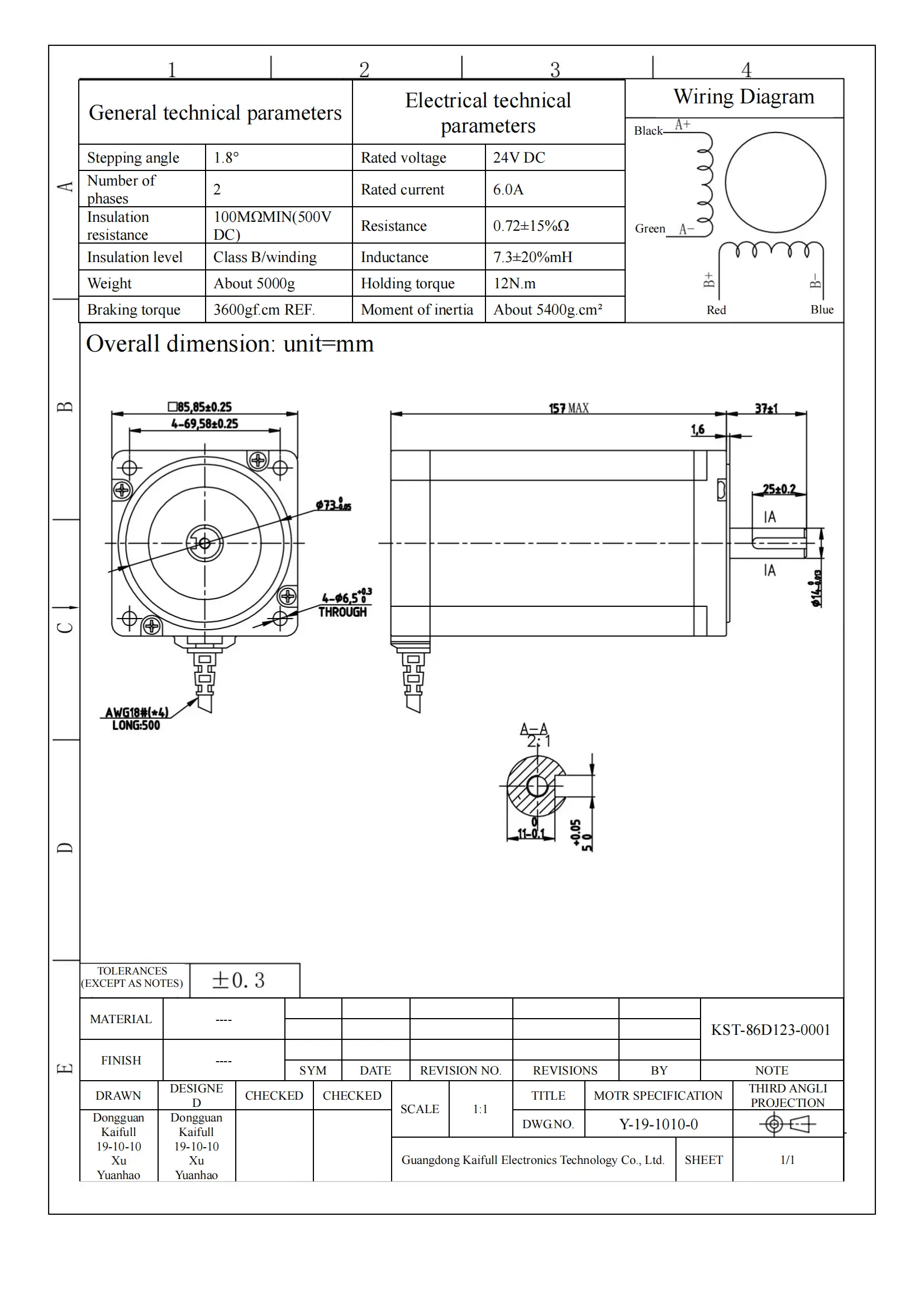
KST-86D123-0001 1.8° Two-Phase Stepper Motor with 12N·m Holding Torque, 6.0A Rated Current, 24V DC Drive Voltage
The KST-86D123-0001 is a robust and high-performance two-phase stepper motor designed to provide reliable motion control with high torque and precision. With a step angle of 1.8° and a holding torque of 12N·m, this motor is ideal for applications that demand high power and accuracy, such as CNC machines, robotics, and industrial automation systems.
The motor operates with a rated current of 6.0A and a 24V DC drive voltage, offering efficient performance even in high-load situations. The resistance is 0.72Ω±15%, and the inductance is 7.3mH±20%, ensuring smooth motion control with reduced power loss during operation.
The KST-86D123-0001 motor features Class B insulation, with an insulation resistance of 100MΩ minimum at 500V DC, ensuring long-lasting durability and safety in various industrial environments. The braking torque is 3600gf·cm, while the moment of inertia is approximately 5400g·cm², providing excellent stability and control during operation.
Weighing around 5000g, this motor is built for heavy-duty tasks while maintaining precision, making it an excellent choice for high-torque applications that require both durability and accuracy.
| ●Motor configuration and performance parameters | |||||||||||||||||||||||||||||
|
|||||||||||||||||||||||||||||








Daniel.Ding
Ding


