KST-60D65-E-0005 1.8° Stepper Motor, 5A Rated Current, 2.8N·m Holding Torque
The KST-60D65-E-0005 is a high-performance two-phase stepper motor designed for applications that demand robust torque and precision. Its advanced design and durable construction make it ideal for industrial and automation systems.
Key Features:
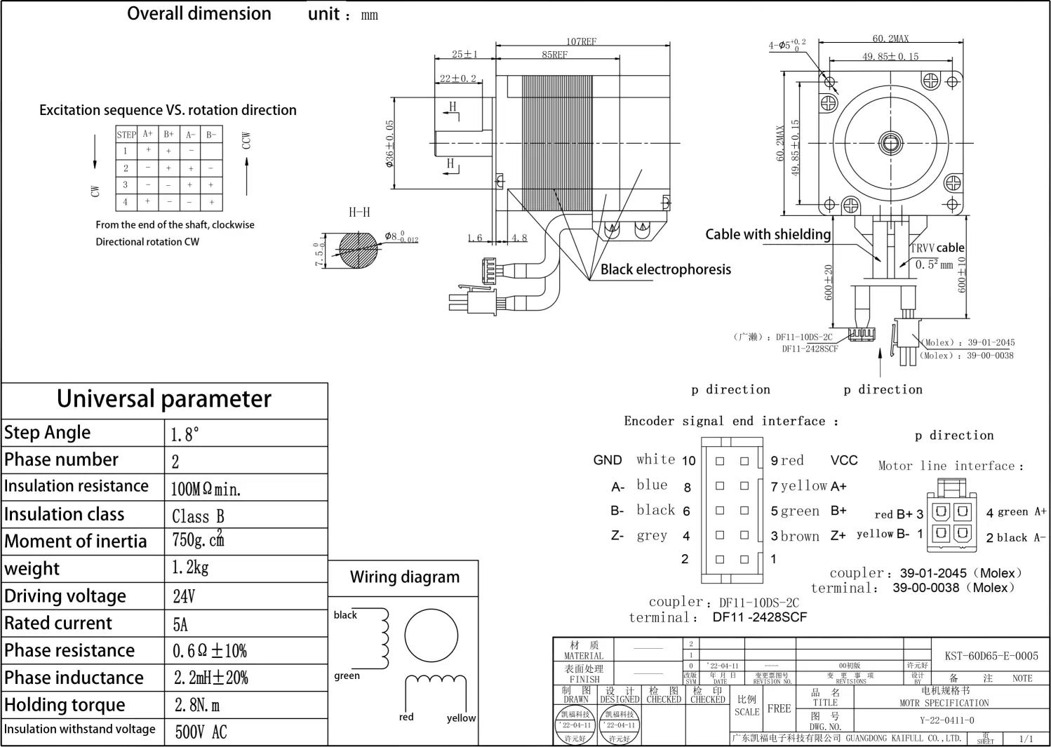
- Step Angle: 1.8°, providing precise positioning and smooth motion control.
- Rated Current: 5A, offering exceptional power for demanding operations.
- Phase Resistance: 0.6Ω ± 10%, ensuring energy efficiency and reduced heat generation.
- Phase Inductance: 2.2mH ± 20%, maintaining stability and responsiveness in operation.
- Holding Torque: 2.8N·m, suitable for heavy-duty tasks requiring high torque output.
- Moment of Inertia: 750g·cm², ensuring smooth and stable motion.
- Weight: 1.2kg, a sturdy build for industrial environments.
- Insulation Resistance: 100MΩ minimum (500V DC), providing excellent electrical insulation.
- Insulation Withstand Voltage: 500V DC, meeting safety and reliability standards.
- Insulation Class: Class B, suitable for moderate thermal environments.
The KST-60D65-E-0005 stepper motor is perfect for applications such as industrial automation, precision machining, medical devices, robotics, and textile machinery. Its high torque and durable design ensure reliable performance in critical operations.
| ●Motor configuration and performance parameters | |||||||||||||||||||||||||||
|
|||||||||||||||||||||||||||








Daniel.Ding
Ding



