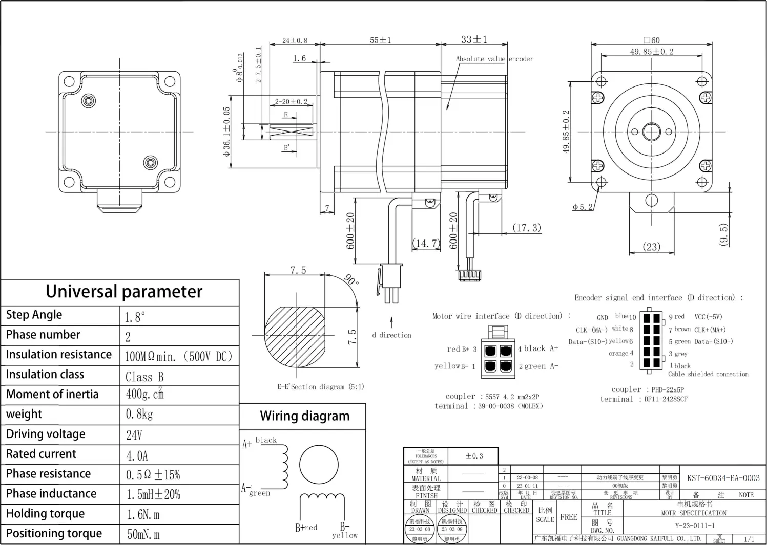
KST-60D34-EA-0003 1.8° Stepper Motor, 4A Rated Current, 1.6N·m Holding Torque, 60mm Frame Size
The KST-60D34-EA-0003 is a high-performance 60mm frame size stepper motor, perfect for applications requiring precise motion control and substantial torque. With a 1.8° step angle and a 4A rated current, this motor offers reliable performance in demanding environments such as robotics, CNC machinery, and industrial automation.
This stepper motor is designed with a holding torque of 1.6N·m, ensuring excellent position control in dynamic systems. It has a phase resistance of 0.5Ω and a phase inductance of 1.5mH, making it highly efficient for precise control and minimal electrical losses. The moment of inertia is 400g·cm², which aids in smooth acceleration and deceleration profiles during motion.
The shaft diameter is 8mm, and the motor length is 88mm, providing a compact form factor for space-constrained applications. With a weight of 800g, this motor balances torque and size efficiently for a variety of use cases.
| ●Motor configuration and performance parameters | |||||||||||||||||||||||||||
|
|||||||||||||||||||||||||||








Daniel.Ding
Ding

