0102030405
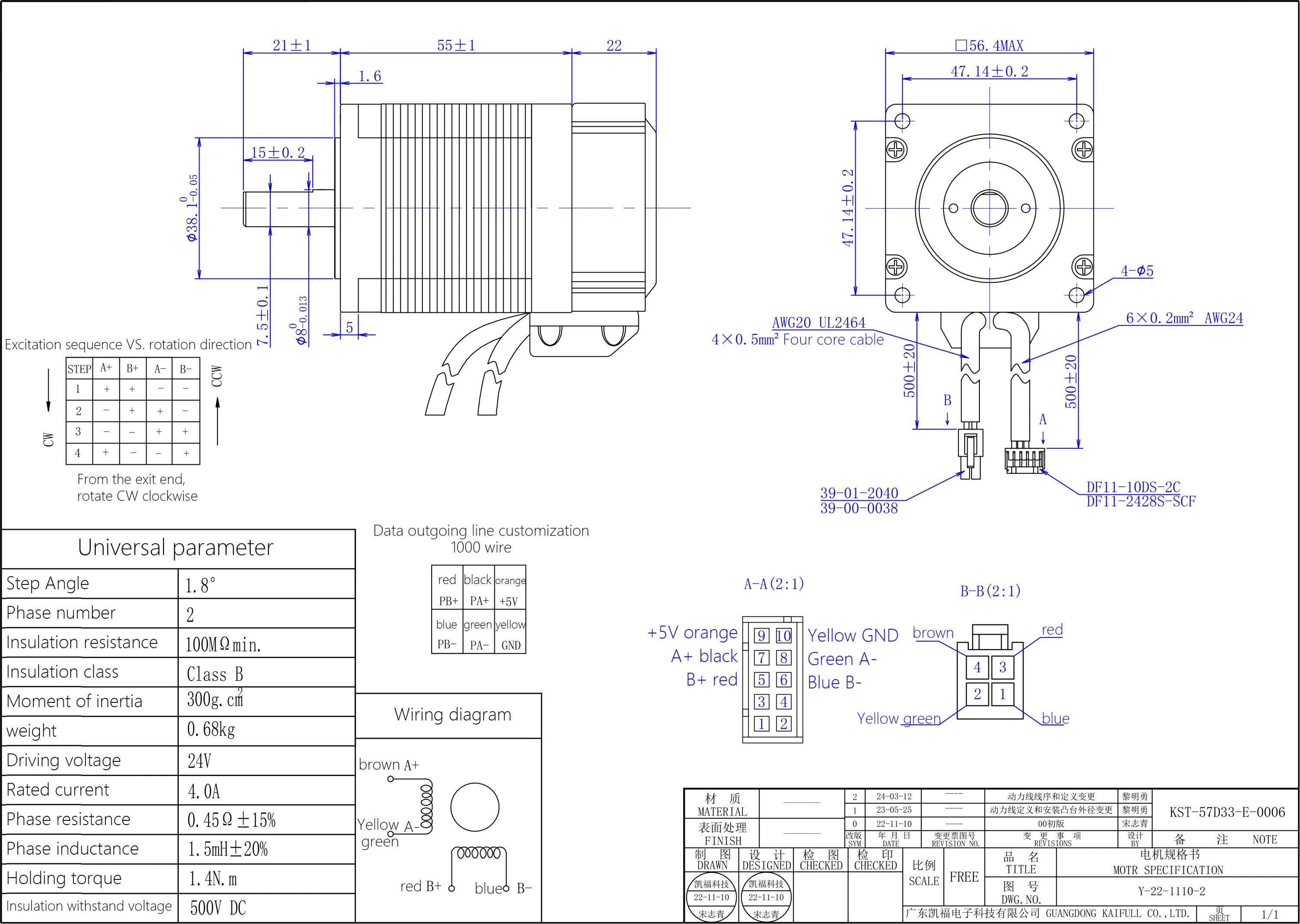
KST-57D33-E-0006 1.8° Stepper Motor, 4.0A Rated Current, 1.4N·m Holding Torque
The KST-57D33-E-0006 is a robust and precise two-phase stepper motor, ideal for applications requiring high torque, accuracy, and reliability. Its design ensures optimal performance in dynamic industrial and automation systems.
Key Features:
- Step Angle: 1.8°, providing precise step resolution for accurate positioning.
- Rated Current: 4.0A, ensuring consistent performance under load.
- Phase Resistance: 0.45Ω ± 15%, enabling efficient and stable electrical operation.
- Phase Inductance: 1.5mH ± 20%, designed for fast response and reduced electromagnetic interference.
- Holding Torque: 1.4N·m, delivering powerful torque for demanding tasks.
- Rotor Inertia: 300g·cm², enhancing smooth operation and minimizing oscillations.
- Weight: 0.68Kg, offering a balance between durability and portability.
- Driving Voltage: 24V, suitable for a wide range of power systems.
- Insulation Class: Class B, ensuring safe operation at elevated temperatures.
- Insulation Resistance: 100MΩ minimum (500V DC), providing excellent electrical insulation.
- Insulation Withstand Voltage: 500V DC, enhancing operational safety.
This motor is a reliable choice for automated manufacturing systems, robotics, 3D printing, and medical devices. The KST-57D33-E-0006 combines advanced engineering with a rugged build to meet diverse application needs.
| ●Motor configuration and performance parameters | |||||||||||||||||||||||||||
|
|||||||||||||||||||||||||||








Daniel.Ding
Ding



