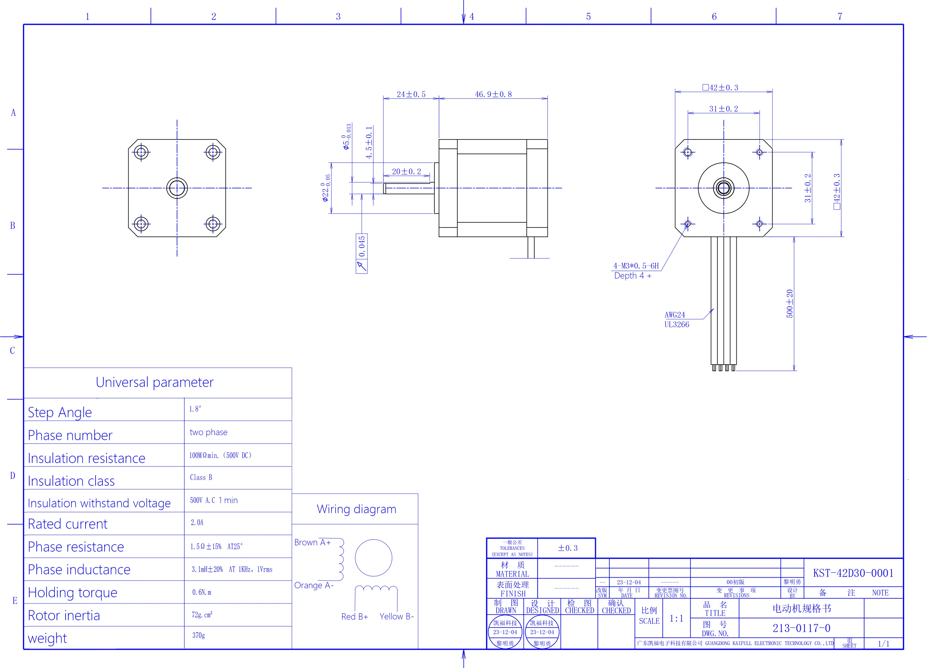
KST-42D30-0001 1.8° Stepper Motor, 2.0A Rated Current, 0.6N·m Holding Torque, 42mm Frame Size
The KST-42D30-0001 is a high-performance 1.8° two-phase stepper motor designed for precise motion control in a variety of applications such as robotics, automation, and CNC systems. It features a rated current of 2.0A and a holding torque of 0.6N·m, ensuring smooth and accurate movement even in demanding conditions. With a 42mm frame size, this motor is compact yet powerful enough to handle various industrial tasks.
Key specifications for the KST-42D30-0001 stepper motor include:
- Phase resistance of 1.5Ω ± 15% and phase inductance of 3.1mH ± 20% at 1KHz, ensuring high efficiency and stability.
- Insulation resistance of 100MΩ min. at 500V DC, providing superior insulation and preventing electrical leakage.
- Class B insulation with 500V AC withstand voltage, making it suitable for use in harsh industrial environments.
- Rotor inertia of 72g·cm² and a weight of 370g, offering responsive motion with minimal inertia, ideal for fast acceleration and deceleration.
This motor is an ideal solution for applications where precision, reliability, and compact size are required. It's widely used in robotics, automation systems, CNC machinery, and other industrial applications where high-efficiency motion control is critical.
| ●Motor configuration and performance parameters | |||||||||||||||||||||||||
|
|||||||||||||||||||||||||








Daniel.Ding
Ding



