KST-35D26-0001 1.8° Stepper Motor, 1.0A Rated Current, 0.24N·m Holding Torque, 35mm Frame Size
The KST-35D26-0001 is a compact 1.8° two-phase stepper motor designed for applications that require low current and precise control. With a rated current of 1.0A and a holding torque of 0.24N·m, this stepper motor is suitable for small, lightweight motion control applications such as robotics, automation, and compact machinery.
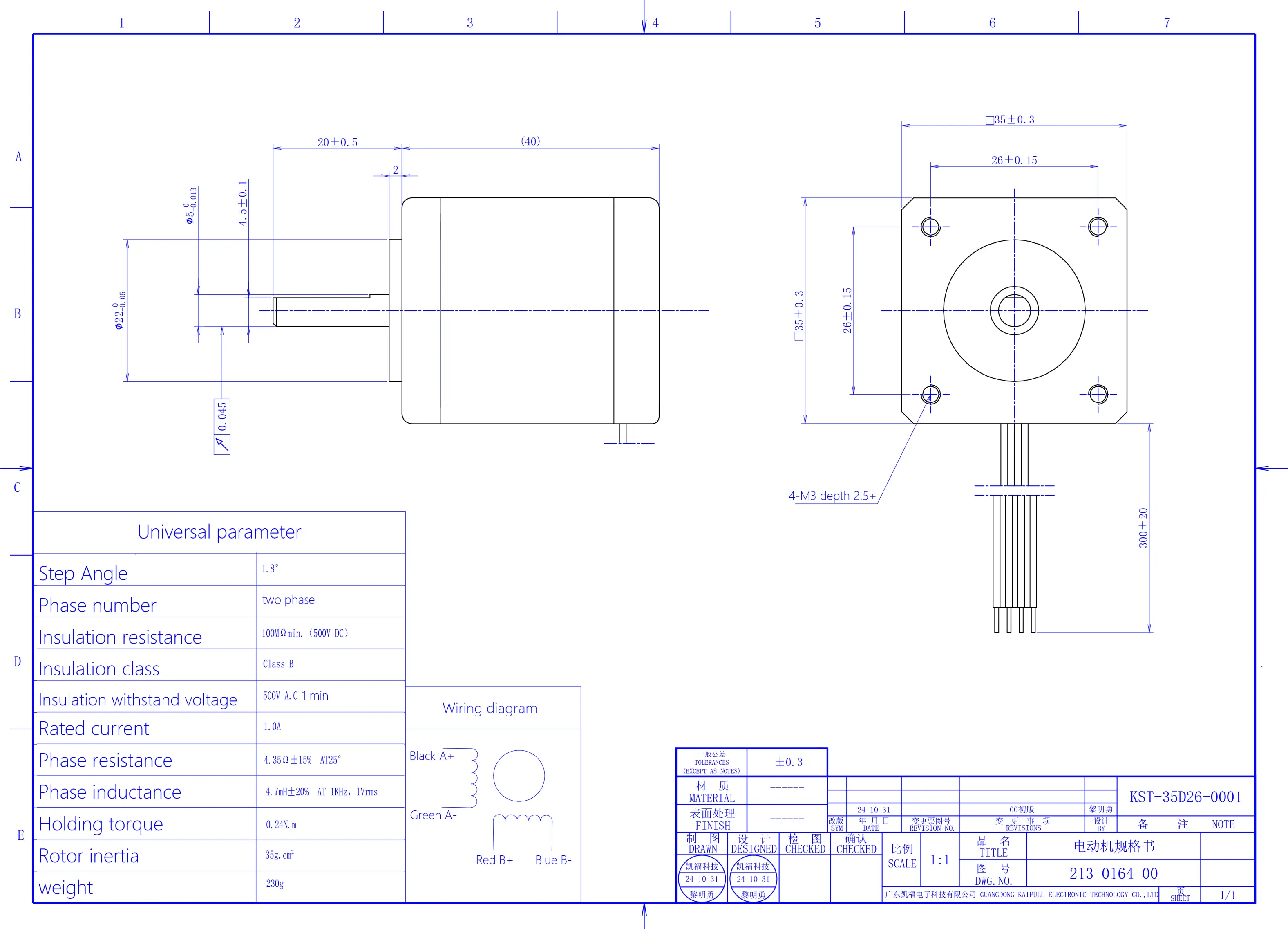
Key specifications for the KST-35D26-0001 stepper motor include:
- Phase resistance of 4.35Ω ± 15% and phase inductance of 4.7mH ± 20% at 1KHz, providing stable performance at lower power settings.
- Insulation resistance of 100MΩ min. at 500V DC, ensuring high electrical insulation for safety.
- Class B insulation with a 500V AC withstand voltage, making it suitable for industrial-grade environments.
- Rotor inertia of 35g·cm² and a weight of 230g, ideal for compact designs where low inertia is required.
This motor is ideal for use in low-power robotics, CNC machines, automation systems, and precision control applications where space and energy efficiency are key requirements.
| ●Motor configuration and performance parameters | |||||||||||||||||||||||||
|
|||||||||||||||||||||||||








Daniel.Ding
Ding



