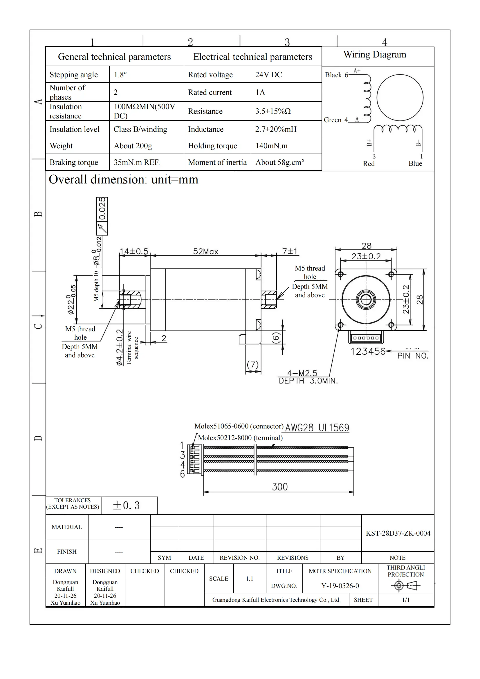
KST-28D37-ZK-0004 1.8° Stepper Motor, 1A Rated Current, 140mN·m Holding Torque, 2.7mH Inductance, 24V DC
The KST-28D37-ZK-0004 is a high-performance stepper motor designed for precise motion control applications. With a step angle of 1.8°, this motor offers fine resolution for a variety of tasks requiring accurate positioning.
Operating with a rated voltage of 24V DC and a rated current of 1A, the motor offers efficient performance. The resistance is 3.5Ω ± 15%, and the inductance is 2.7mH ± 20%, ensuring smooth and reliable motion control. The insulation resistance is 100MΩ (500V DC), and it is rated with Class B insulation for enhanced durability in various environments.
With a holding torque of 140mN·m, this motor provides sufficient torque for small to medium load applications. The braking torque is 35mN·m, and the moment of inertia is 58g·cm², making it suitable for precise movements in lightweight systems.
Weighing only 200g, the KST-28D37-ZK-0004 is lightweight and ideal for use in compact systems such as robotics, automation, and 3D printers, where size and weight are critical factors.
| ●Motor configuration and performance parameters | |||||||||||||||||||||||||||||
|
|||||||||||||||||||||||||||||








Daniel.Ding
Ding

