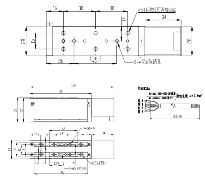
KF28D3011-02GZ-30 Precision Sliding Table Module
The KF28D3011-02GZ-30 sliding table module is designed for precision motion control, making it ideal for applications in automation, robotics, and manufacturing processes. With a stepping angle of 1.8°, this module provides smooth and precise linear movements, allowing for exact positioning in a variety of tasks. Powered by a driving voltage of 24V DC and featuring a rated current of 1.0A, it ensures reliable operation under demanding conditions.
This two-phase stepping module boasts an impressive insulation resistance of 100 MΩ (500V DC), ensuring durability and safety in rigorous environments. With a resistance of 2.2±10% Ω and an inductance of 1.2±20% mH, the module is engineered for efficient energy consumption, optimizing its performance while minimizing power usage. The insulation class is rated as B, which permits operation in moderate temperature environments.
A standout feature of the KF28D3011-02GZ-30 is its output thrust of 20 N at a speed of 10 r/s, making it capable of handling significant loads while maintaining precision. The step size of just 0.01 mm allows for extremely fine adjustments, which is crucial in applications where accuracy is essential, such as in assembly lines, testing equipment, and precision machining.
Weighing approximately 1000 grams, this sliding table module is robust yet manageable, allowing for easy integration into various systems without adding unnecessary weight. Additionally, it offers a remarkable repeated positioning accuracy of ±0.005 mm, ensuring that each movement is consistent and reliable, which is vital for tasks that require repeated precision.
In summary, the KF28D3011-02GZ-30 sliding table module combines high precision, efficiency, and robust performance, making it an excellent choice for a wide range of applications. Its ability to deliver smooth, accurate linear motion with substantial output thrust positions it as a valuable component in any automated or precision-focused system. Whether used in industrial automation or advanced robotics, this module ensures optimal performance and reliability in every operation.
| ●Motor configuration and performance parameters | ||||||||||||||||||||||||||||||||||||
|
||||||||||||||||||||||||||||||||||||

-

test.pdf
Download







Daniel.Ding
Ding