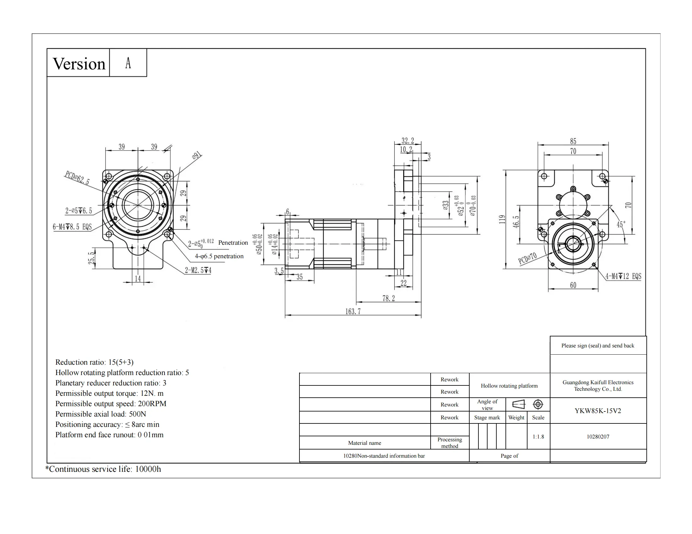
High Torque Hollow Rotary Platform YKW85K-15V2 – 85mm, 15:1 Reduction Ratio
The YKW85K-15V2 Hollow Rotary Platform is a high-performance rotary platform designed to handle precise rotational movements with large torque and load capacities. With a 15:1 reduction ratio and an 85mm size, this platform is ideal for applications in robotics, automation, and industrial systems that require both high torque and reliable performance.
Equipped with a 33mm hollow shaft, the platform allows for easy integration with other systems, supporting cable routing or attachment of additional components. The platform features a 20N·m allowable output torque, 30N maximum axial load, and 20N·m allowable radial force, making it capable of handling heavy-duty tasks while maintaining high rotational precision. Its maximum speed is 200 RPM, ensuring fast and efficient operation.
The K-Vertical reducer connection mode guarantees a stable and reliable torque transmission, while its precise positioning capabilities (≤8 arc-min accuracy and ≤±30 arc-sec repeated positioning accuracy) make it suitable for applications where exact movement and repeatability are essential.
Key Features:
- High Torque Capacity: 20N·m output torque for demanding applications.
- Large Hollow Shaft: 33mm hollow shaft facilitates integration with other systems and cable routing.
- High Load Resistance: Can handle 30N axial load and 20N·m radial force, making it suitable for heavy-duty applications.
- Precise Rotation: ≤8 arc-min positioning accuracy and ≤±30 arc-sec repeated positioning accuracy for high-precision tasks.
- Efficient Performance: Features a 15:1 reduction ratio and 200 RPM maximum speed for balanced performance and speed.
- Motor Compatibility: Designed for motors with 14mm shaft diameter, 70mm PCD, and M5 motor mounting for easy integration.
- Versatile Applications: Ideal for robotics, automation, and other precision-driven industries.
The YKW85K-15V2 hollow rotary platform offers high torque and precision for industrial automation systems and robotics, providing reliable performance for complex tasks requiring both power and accuracy.











| ●Motor configuration and performance parameters | |||||||||||||||||||||||||
|
|||||||||||||||||||||||||








Daniel.Ding
Ding

