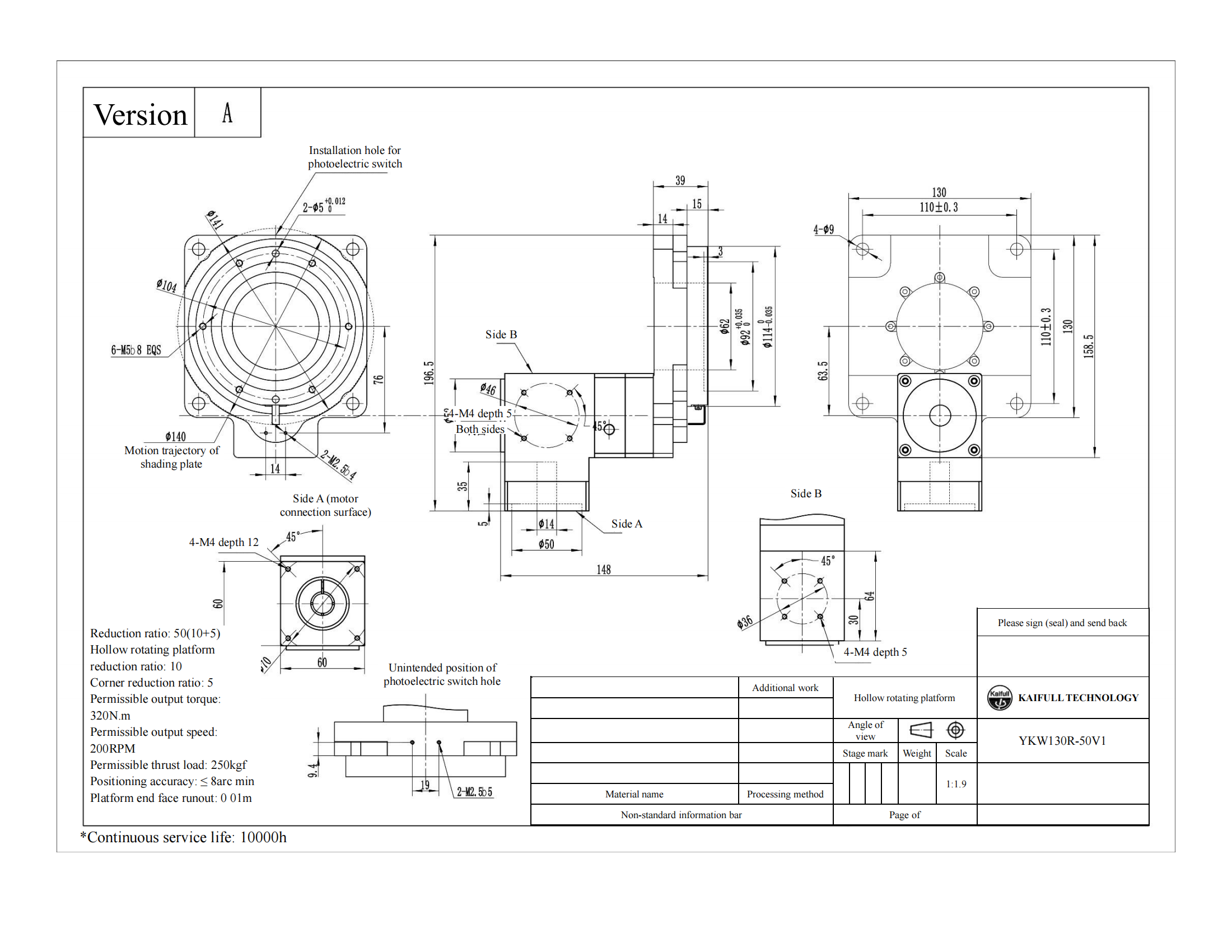
High Torque Hollow Rotary Platform YKW130R-50V1 – 130mm, 50:1 Reduction Ratio
The YKW130R-50V1 Hollow Rotary Platform is designed for high-torque, precise motion control applications. With a 130mm size and 50:1 reduction ratio, it offers 45N·m output torque, making it ideal for demanding tasks in robotics, automation, and CNC systems. The 62mm hollow shaft allows for easy integration and efficient cable management, while the platform's ability to handle 100N axial load and 60N·m radial force ensures robust performance in high-load environments.
This rotary platform provides 8 arc-min positioning accuracy and ≤±30 arc-sec repeated positioning accuracy, guaranteeing consistent, precise motion. The platform operates at a maximum speed of 200 RPM, offering flexibility for a range of applications. It's designed to work with 14mm motor shafts and M4 mounting.
Key Features:
- Output Torque: Capable of 45N·m output torque, perfect for heavy-duty applications.
- Hollow Shaft Design: Features a 62mm hollow shaft for easy cable management and integration.
- Precision Motion: Offers 8 arc-min positioning accuracy and ≤±30 arc-sec repeatability for precise motion control.
- Heavy Duty Load: Supports up to 100N axial load and 60N·m radial force for reliable performance.
- Speed Control: Maximum output speed of 200 RPM ensures flexibility and efficiency.
- Motor Compatibility: Compatible with 14mm motor shafts and M4 mounting for versatile motor integration.
The YKW130R-50V1 is perfect for high-precision applications where high torque, reliability, and efficient motion control are essential. Whether used in automation, robotics, or CNC machinery, this platform delivers superior performance for critical tasks.








| ●Motor configuration and performance parameters | |||||||||||||||||||||||||
|
|||||||||||||||||||||||||

-

YKW130R-50V1.PDF
Download







Daniel.Ding
Ding