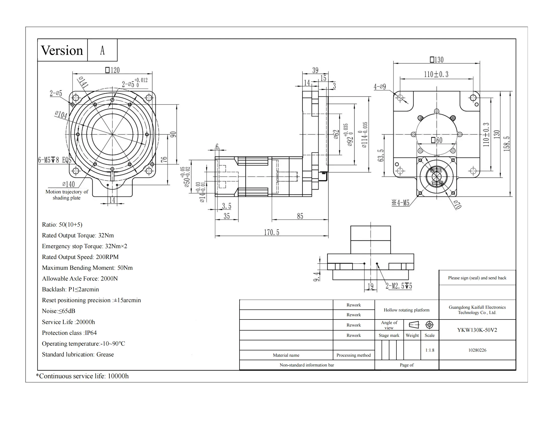
High Torque Hollow Rotary Platform YKW130K-50V2 – 130mm, 50:1 Reduction Ratio
The YKW130K-50V2 Hollow Rotary Platform is designed for high-precision applications requiring substantial torque. With a 50:1 reduction ratio and 130mm size, it delivers 45N·m output torque, making it suitable for demanding automation, robotics, and CNC systems. The platform features a 62mm hollow shaft for easy integration and cable management, while supporting 100N axial load and 60N·m radial force.
Achieve accurate motion control with the YKW130K-50V2, providing 8 arc-min positioning accuracy and ≤±30 arc-sec repeated positioning accuracy, ensuring optimal performance in a wide range of applications. It supports a 200 RPM maximum speed, allowing for versatile speed control and high-efficiency operation.
Key Features:
- High Torque Output: Delivers 45N·m output torque, ideal for heavy-duty applications.
- Hollow Shaft Design: 62mm hollow shaft for simplified integration and improved space efficiency.
- Precision Performance: Offers 8 arc-min positioning accuracy and ≤±30 arc-sec repeatability for high-precision tasks.
- Durable & Robust: Handles 100N axial load and 60N·m radial force, ensuring long-term performance.
- Maximum Speed: With 200 RPM, this platform meets diverse precision and automation requirements.
- Motor Compatibility: Works with motors featuring a 14mm shaft diameter, 70mm PCD, and M5 motor mounting.
The YKW130K-50V2 is perfect for applications in robotics, CNC, and automation systems where precision, reliability, and high torque are crucial.








| ●Motor configuration and performance parameters | |||||||||||||||||||||||||
|
|||||||||||||||||||||||||








Daniel.Ding
Ding

