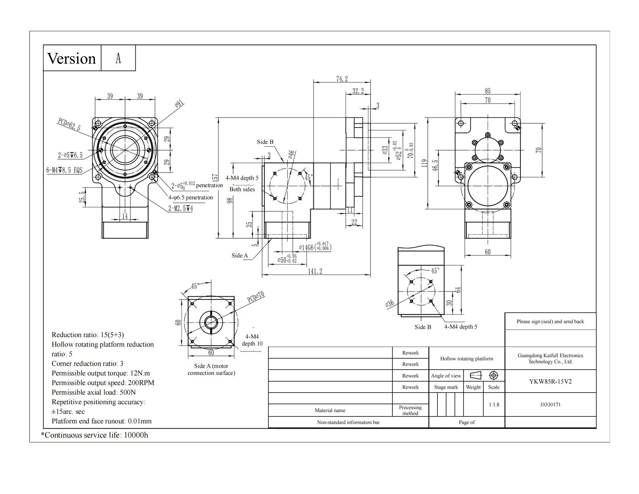
High Precision Hollow Rotary Platform YKW85R-15V2 – 85mm, 15:1 Reduction Ratio
The YKW85R-15V2 Hollow Rotary Platform is designed for high-precision, heavy-duty applications, offering an 85mm size and 15:1 reduction ratio. This platform can handle a 10N·m output torque, 30N axial load, and 20N·m radial force, ensuring reliable and precise motion control even under heavy operational demands.
Featuring a 33mm hollow shaft, it provides seamless integration with other systems and efficient cable management, crucial for complex machinery setups. With a maximum output speed of 200 RPM, the YKW85R-15V2 maintains a high level of precision with ≤8 arc-min positioning accuracy and ≤±30 arc-sec repeated positioning accuracy.
The platform is compatible with motors having a 14mm shaft diameter, 70mm PCD, and M5 motor mounting, making it versatile for robotics, automation systems, and other precision applications requiring exact rotational movement.
Key Features:
- High Output Torque: Supports up to 10N·m output torque and 30N axial load, ideal for robust operations.
- Efficient Hollow Shaft: 33mm hollow shaft for easy integration and cable routing.
- Precision Performance: ≤8 arc-min positioning accuracy and ≤±30 arc-sec repeated accuracy for reliable motion control.
- Superior Speed and Motion: 15:1 reduction ratio with 200 RPM maximum speed for smooth and accurate operation.
- Motor Compatibility: Designed for motors with 14mm shaft diameter, 70mm PCD, and M5 motor mounting.
- Durable Construction: Can handle 20N·m radial force for consistent performance in demanding applications.
The YKW85R-15V2 rotary platform is ideal for use in high-precision robotic systems, CNC machines, automated industrial applications, and other fields requiring exceptional performance and accuracy.











| ●Motor configuration and performance parameters | |||||||||||||||||||||||||
|
|||||||||||||||||||||||||








Daniel.Ding
Ding

