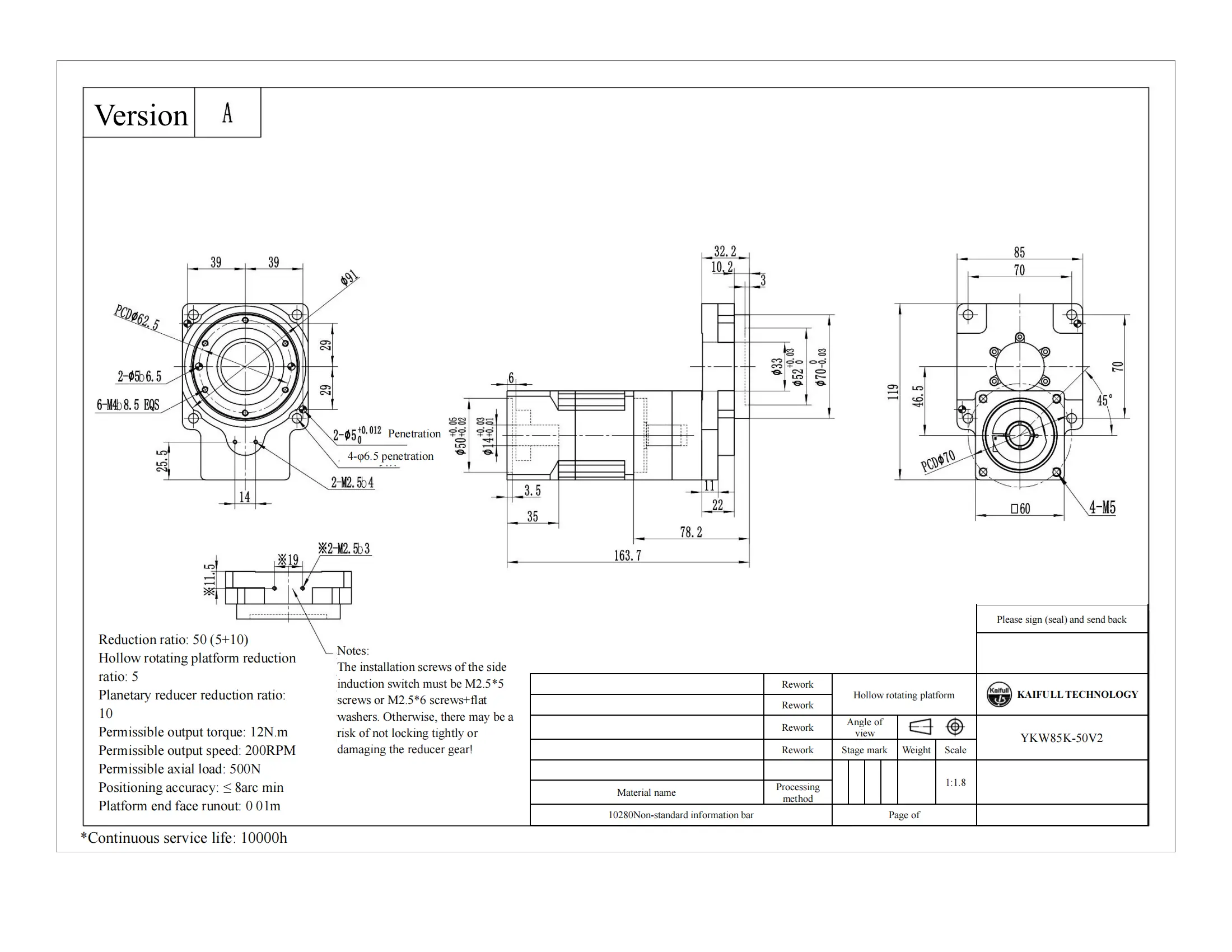
High Precision Hollow Rotary Platform YKW85K-50V2 – 85mm, 50:1 Reduction Ratio
The YKW85K-50V2 Hollow Rotary Platform is a high-performance, precision rotary solution designed to meet the needs of advanced automation and robotics applications. This model features an 85mm size and 50:1 reduction ratio, providing an excellent balance between high torque capacity and precise rotational control. With a maximum 10N·m output torque, it can handle 30N axial load and 20N·m radial force, making it highly suitable for demanding tasks.
The 33mm hollow shaft design ensures easy integration and efficient cable routing, allowing for seamless system configurations. It is capable of an output speed of 200 RPM, while maintaining ≤8 arc-min positioning accuracy and ≤±30 arc-sec repeated positioning accuracy, ensuring reliable and precise performance.
Compatible with motors with a 14mm shaft diameter, 70mm PCD, and M5 motor mounting, the YKW85K-50V2 rotary platform excels in industries requiring high-precision motion control, such as robotics, industrial automation, and complex machinery systems.
Key Features:
- High Output Torque: Supports up to 10N·m output torque and 30N axial load, ideal for heavy-duty operations.
- Efficient Hollow Shaft: 33mm hollow shaft for convenient integration with other systems and effective cable routing.
- Precision Performance: ≤8 arc-min positioning accuracy and ≤±30 arc-sec repeatability for precise control.
- Superior Speed and Motion: 50:1 reduction ratio with a 200 RPM maximum speed for smooth operation.
- Motor Compatibility: Designed for motors with 14mm shaft diameter, 70mm PCD, and M5 motor mounting.
- Durable and Reliable: Can handle 20N·m radial force for consistent and long-lasting performance.
The YKW85K-50V2 is an ideal choice for high-precision applications that demand strong performance, such as robotic systems, CNC machines, and automated industrial processes.











| ●Motor configuration and performance parameters | |||||||||||||||||||||||||
|
|||||||||||||||||||||||||








Daniel.Ding
Ding

