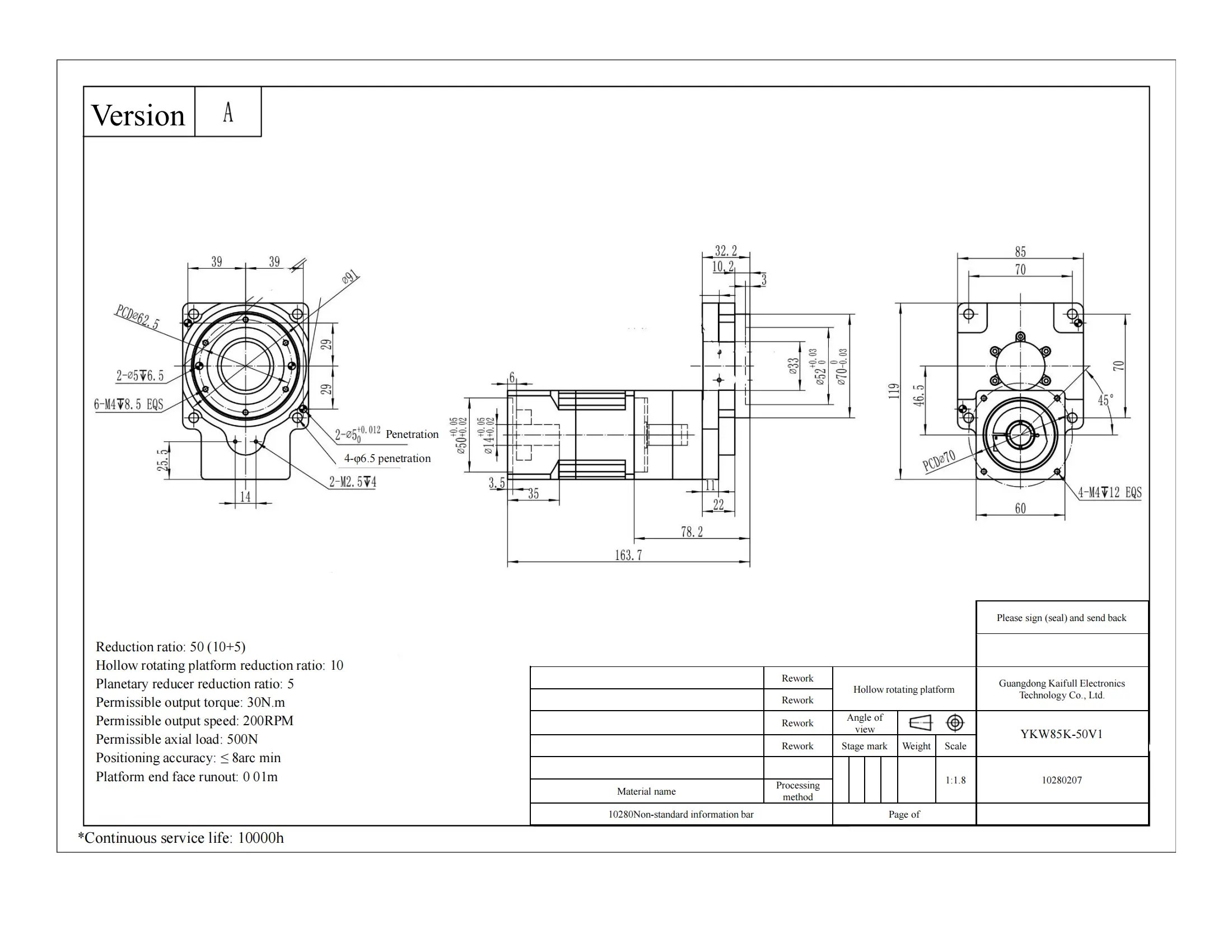
High Precision Hollow Rotary Platform YKW85K-50V1 – 85mm, 50:1 Reduction Ratio
The YKW85K-50V1 Hollow Rotary Platform is a high-torque, high-precision rotary solution designed for demanding automation and robotics applications. Featuring an 85mm size and a 50:1 reduction ratio, this platform offers a balance of high torque and precise rotational control, making it ideal for precise positioning tasks. It is capable of handling 10N·m output torque, 30N axial load, and 20N·m radial force, ensuring reliable performance under heavy-duty conditions.
The platform is equipped with a 33mm hollow shaft, allowing for efficient integration with other systems and components. With a maximum output speed of 200 RPM and a K-Vertical reducer connection mode, it ensures smooth and consistent operation. The YKW85K-50V1 platform offers exceptional positioning accuracy (≤8 arc-min) and ≤±30 arc-sec repeated positioning accuracy, providing high-precision movements.
Designed for motors with 14mm shaft diameter, 70mm PCD, and M4 motor mounting, the YKW85K-50V1 rotary platform is a versatile solution for a variety of robotic and industrial systems that require high precision and durability.
Key Features:
- High Torque and Load Capacity: Capable of handling 10N·m output torque and 30N axial load.
- Large Hollow Shaft: 33mm hollow shaft for easy integration with other systems and cable routing.
- High Precision: ≤8 arc-min positioning accuracy and ≤±30 arc-sec repeated positioning accuracy.
- Efficient Operation: 50:1 reduction ratio and 200 RPM maximum speed for smooth and controlled motion.
- Motor Compatibility: Designed for motors with 14mm shaft diameter, 70mm PCD, and M4 motor mounting.
- Heavy-duty Performance: Can withstand 20N·m radial force for demanding tasks.
The YKW85K-50V1 hollow rotary platform is ideal for applications where high torque, precise motion control, and integration flexibility are essential, such as in robotics, automation, and industrial machinery.











| ●Motor configuration and performance parameters | |||||||||||||||||||||||||
|
|||||||||||||||||||||||||








Daniel.Ding
Ding

