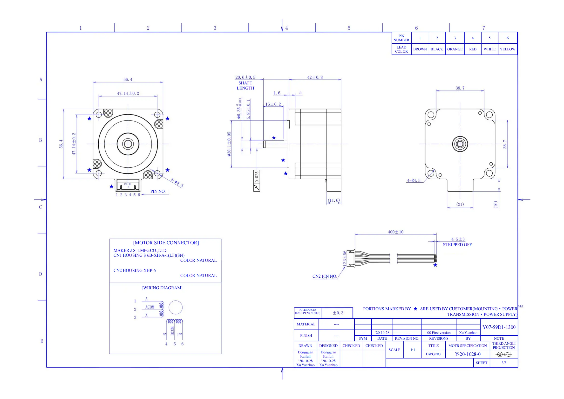
High-Performance Stepper Motor Y07-59D1-1300
The Y07-59D1-1300 stepper motor is designed for continuous-duty applications, offering robust performance with a drive voltage of 24V DC and a rated current of 3.0A per phase. This motor features a stepping angle of 1.8°, making it suitable for high-precision positioning tasks in various automation and control systems.
With a full-step operation mode and two-phase unipolar excitation, the Y07-59D1-1300 delivers a minimum holding torque of 0.57N·m (5.7kgf·cm) and a detent torque of 14mN·m (145gf·cm). Its winding resistance is measured at 0.62Ω ±10%, and it has a winding inductance of 0.9mH ±20%, ensuring efficient power usage and quick response times.
The motor's insulation class is UL Class B, providing excellent thermal protection with a dielectric strength of 500V AC for one minute without abnormality. It boasts a positional accuracy of ±0.09° and is rated for a maximum starting pulse rate of 1200 pulses per second, making it ideal for applications requiring precise movement.
Constructed with durability in mind, this stepper motor also features a high insulation resistance of 100 MΩ minimum, ensuring reliability in various operating conditions. The Y07-59D1-1300 is well-suited for CNC machines, 3D printers, and robotic systems where performance and precision are critical.
| ●Motor configuration and performance parameters | ||||||||||||||||||||||||||||||||||||||||||||||||||||||||||||||||||||||||||||||||||||||||||||||||||||||||||||||||||||
|
||||||||||||||||||||||||||||||||||||||||||||||||||||||||||||||||||||||||||||||||||||||||||||||||||||||||||||||||||||








Daniel.Ding
Ding



