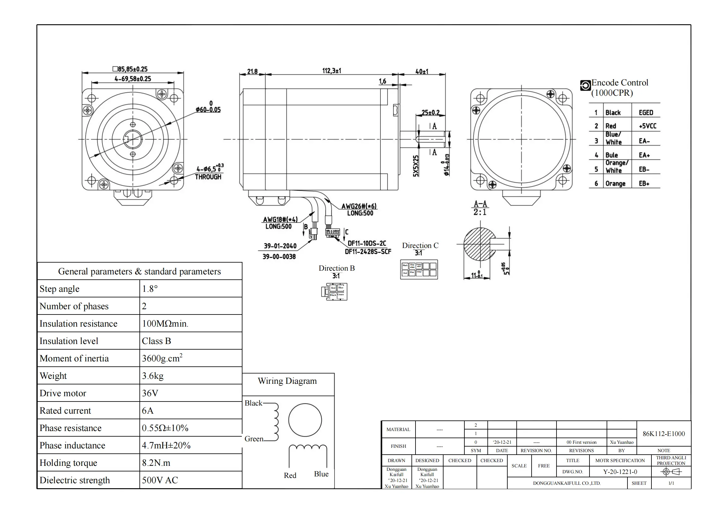
86K112-E1000 Closed-Loop Stepper Motor with 8.2Nm Holding Torque
The 86K112-E1000 Closed-Loop Stepper Motor is engineered for high-power, precision-driven applications, delivering exceptional torque and control with a 1.8° step angle. This two-phase motor features a robust 8.2Nm holding torque, making it ideal for tasks that demand high stability and load-bearing capability. Built to withstand challenging environments, it has an insulation resistance of 100MΩ minimum and meets Class B insulation standards, ensuring reliable performance and safety. Operating on 36V with a rated current of 6A, this motor has a phase resistance of 0.55Ω±10% and a phase inductance of 4.7mH±20%, providing efficient and powerful motion control. With a substantial moment of inertia at 3600g.cm² and a weight of 3.6kg, this motor is designed to handle demanding industrial tasks. Its dielectric strength of 500V AC further enhances durability, making the 86K112-E1000 a strong solution for precise, high-torque applications.
| ●Motor configuration and performance parameters | |||||||||||||||||||||||||||
|
|||||||||||||||||||||||||||

-

Up cross
Download







Daniel.Ding
Ding

