S60D120A-MACR6S2 Stepper motor: Precise driver of industrial automation
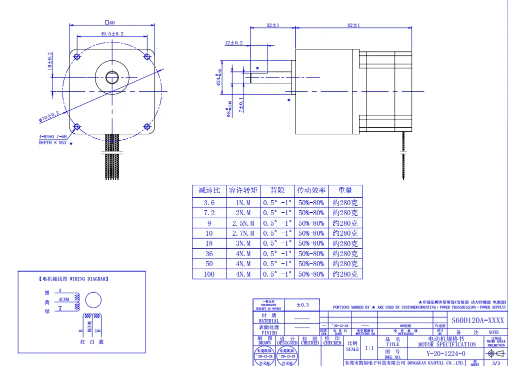
In the wave of modern industry, precision control and reliability are key drivers of technological advancement. The S60D120A-MACR6S2 Stepper Motor from kaifull Company, with its outstanding performance and wide range of application potential, has become an important choice in this field. This motor features a reduction ratio of 1:3.6 and a step angle of 0.5 degrees, enabling precise motion control under high-load conditions, particularly in applications such as CNC machining and robotic arms.



In practical applications, the S60D120A-MACR6S2 stepper motor can operate stably under high loads with a current of 2.0A and a resistance of 1.1Ω, ensuring that robotic arms maintain control during rapid movements and precise positioning. For example, on an automated production line, this Motor Drives the robotic arm to perform precise material handling. Its high precision control allows the robotic arm to execute complex grabbing and placing tasks in just a few seconds, significantly increasing production efficiency and reducing delays caused by human error.
In the field of 3D printing, the S60D120A-MACR6S2 stepper motor plays a crucial role. It controls the precise movement of the print head, ensuring uniform layering of materials. 3D printers using this motor achieve higher printing accuracy, resulting in models that are not only more detailed in appearance but also more reliable in functionality. This capability for precise control allows 3D printing to meet the demands of high-end manufacturing industries such as medical devices and aerospace, greatly advancing technology in these fields.
In robotic technology, the S60D120A-MACR6S2 stepper motor also demonstrates strong application potential. It provides flexible motion control suitable for various types of robots, including service robots and industrial robots. Its lightweight design and high response speed enable robots to react swiftly during complex tasks, ensuring operational flexibility and accuracy. In warehouse automation, this motor efficiently completes material handling and sorting tasks, optimizing overall warehouse operation efficiency and reducing labor costs.
Furthermore, in CNC machining, the high precision and high torque output of the S60D120A-MACR6S2 stepper motor enable it to process various materials and perform complex machining tasks. By employing this motor, CNC machines can quickly complete large-volume production tasks while maintaining machining accuracy, thus lowering production costs and enhancing overall economic benefits.
Looking ahead, as Industry 4.0 progresses and smart manufacturing rises, the S60D120A-MACR6S2 stepper motor will continue to play an important role in intelligent manufacturing. kaifull Company, with its technological accumulation and ongoing research and development, will lead the stepper motor industry in market competition. Overall, the S60D120A-MACR6S2 stepper motor is not only a high-performance motor but also an indispensable precise driver in modern industrial systems, driving continuous technological progress and development. Through ongoing innovation and optimization, the S60D120A-MACR6S2 will continue to provide robust support for the future of industrial automation and smart manufacturing, aiding the technological revolution across various industries.








Daniel.Ding
Ding









